- Pays
- Allemagne
- Fabricant / Marque
- QUELLE GmbH (Universum); Fürth und Nürnberg
- Année
- 1974 ?
- Catégorie
- Autoradio, ev. avec cassette
- Radiomuseum.org ID
- 190752
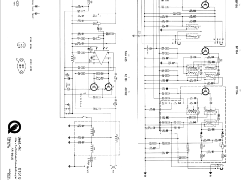
Cliquez sur la vignette du schéma pour le demander en tant que document gratuit.
- No. de transistors
- 9
- Semi-conducteurs
- Principe général
- Super hétérodyne (en général); FI/IF 455/10700 kHz
- Circuits accordés
- 11 Circuits MA (AM) 13 Circuits MF (FM)
- Gammes d'ondes
- PO, GO et FM
- Tension / type courant
- Accumulateur (par exemple pour autoradios ou radio) / 12 Volt
- Haut-parleur
- - Ce modèle nécessite des HP externes
- Puissance de sortie
- 6 W (qualité inconnue)
- Matière
- Boitier métallique
- De Radiomuseum.org
- Modèle: AR6645 - QUELLE GmbH Universum; Fürth
- Forme
- Chassis (pour intégration dans meuble)
- Poids net
- 1.3 kg / 2 lb 13.8 oz (2.863 lb)
- Source
- -- Original-techn. papers.
- Auteur
- Modèle crée par Heiko zur Mühlen. Voir les propositions de modification pour les contributeurs supplémentaires.
- D'autres Modèles
-
Vous pourrez trouver sous ce lien 1093 modèles d'appareils, 917 avec des images et 518 avec des schémas.
Tous les appareils de QUELLE GmbH (Universum); Fürth und Nürnberg