UKW-Stereo-MW-Koffer TRN2615 Best. Nr. 02188
QUELLE GmbH (Universum); Fürth und Nürnberg
- Country
- Germany
- Manufacturer / Brand
- QUELLE GmbH (Universum); Fürth und Nürnberg
- Year
- 1972 ?
- Category
- Broadcast Receiver - or past WW2 Tuner
- Radiomuseum.org ID
- 191678
Click on the schematic thumbnail to request the schematic as a free document.
- Number of Transistors
- 18
- Semiconductors
- Main principle
- Superheterodyne (common); ZF/IF 455/10700 kHz
- Tuned circuits
- 5 AM circuit(s) 9 FM circuit(s)
- Wave bands
- Broadcast (BC) and FM or UHF.
- Power type and voltage
- Line / Batteries (any type) / 220 / 3 x 1,5 Volt
- Loudspeaker
- Permanent Magnet Dynamic (PDyn) Loudspeaker (moving coil)
- Power out
- 1.4 W (unknown quality)
- Material
- Various materials
- from Radiomuseum.org
- Model: UKW-Stereo-MW-Koffer TRN2615 Best. Nr. 02188 - QUELLE GmbH Universum; Fürth
- Shape
- Portable set > 8 inch (also usable without mains)
- Dimensions (WHD)
- 155 x 255 x 70 mm / 6.1 x 10 x 2.8 inch
- Net weight (2.2 lb = 1 kg)
- 1.5 kg / 3 lb 4.9 oz (3.304 lb)
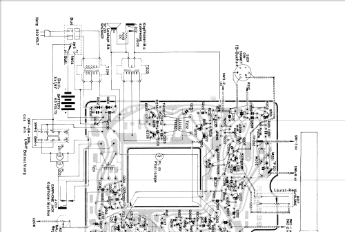
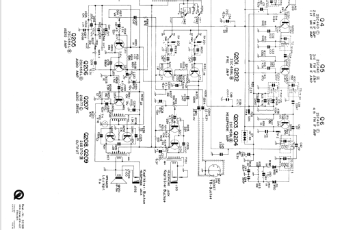
- Literature/Schematics (1)
- -- Original-techn. papers.
- Author
- Model page created by Heiko zur Mühlen. See "Data change" for further contributors.
- Other Models
-
Here you find 1092 models, 916 with images and 518 with schematics for wireless sets etc. In French: TSF for Télégraphie sans fil.
All listed radios etc. from QUELLE GmbH (Universum); Fürth und Nürnberg