Universum BSG 3285
QUELLE GmbH (Universum); Fürth und Nürnberg
- Country
- Germany
- Manufacturer / Brand
- QUELLE GmbH (Universum); Fürth und Nürnberg
- Year
- 1979
- Category
- Citizen Band Equipment
- Radiomuseum.org ID
- 154131
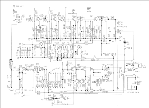
Click on the schematic thumbnail to request the schematic as a free document.
- Number of Transistors
- Semiconductors present.
- Semiconductors
- Main principle
- Superheterodyne (common)
- Wave bands
- Short Wave (SW only)
- Power type and voltage
- Storage and/or dry batteries / 12; 8 x 1,2; 8 x 1,5 Volt
- Loudspeaker
- Permanent Magnet Dynamic (PDyn) Loudspeaker (moving coil) / Ø 5 cm = 2 inch
- Power out
- 0.5 W (max.)
- Material
- Metal case
- from Radiomuseum.org
- Model: Universum BSG 3285 - QUELLE GmbH Universum; Fürth
- Shape
- Very small Portable or Pocket-Set (Handheld) < 8 inch.
- Dimensions (WHD)
- 80 x 210 x 43 mm / 3.1 x 8.3 x 1.7 inch
- Notes
-
Universum BSG 3285;
Handfunkgerät, 6 x 27 MHz Kanäle: 5,7,9,11,13,15; Squelch Regler, S-Meter/Batt. Anzeige, TX LED, FTZ Nr: PR 27-487P/79.Senderausgangsleistung 0,5 Watt, Tonruf.
- Net weight (2.2 lb = 1 kg)
- 0.785 kg / 1 lb 11.7 oz (1.729 lb)
- Author
- Model page created by a member from A. See "Data change" for further contributors.
- Other Models
-
Here you find 1087 models, 911 with images and 509 with schematics for wireless sets etc. In French: TSF for Télégraphie sans fil.
All listed radios etc. from QUELLE GmbH (Universum); Fürth und Nürnberg
Collections
The model Universum is part of the collections of the following members.