Universum Uhrenradio W1934 Bestell Nr. 01092
QUELLE GmbH (Universum); Fürth und Nürnberg
- Country
- Germany
- Manufacturer / Brand
- QUELLE GmbH (Universum); Fürth und Nürnberg
- Year
- 1973/1974
- Category
- Broadcast Receiver - or past WW2 Tuner
- Radiomuseum.org ID
- 190308
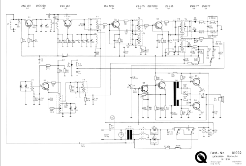
Click on the schematic thumbnail to request the schematic as a free document.
- Number of Transistors
- 9
- Main principle
- Superheterodyne (common)
- Wave bands
- Broadcast (BC) and FM or UHF.
- Power type and voltage
- Alternating Current supply (AC) / 220 Volt
- Loudspeaker
- Permanent Magnet Dynamic (PDyn) Loudspeaker (moving coil)
- Power out
- 0.4 W (unknown quality)
- Material
- Plastics (no bakelite or catalin)
- from Radiomuseum.org
- Model: Universum Uhrenradio W1934 Bestell Nr. 01092 - QUELLE GmbH Universum; Fürth
- Shape
- Tablemodel with Clock ((Alarm-) Clock Radio).
- Dimensions (WHD)
- 255 x 95 x 140 mm / 10 x 3.7 x 5.5 inch
- Notes
- Uhrenradio mit Digitaluhr.
- Literature/Schematics (1)
- -- Original-techn. papers.
- Author
- Model page created by Heiko zur Mühlen. See "Data change" for further contributors.
- Other Models
-
Here you find 1094 models, 918 with images and 518 with schematics for wireless sets etc. In French: TSF for Télégraphie sans fil.
All listed radios etc. from QUELLE GmbH (Universum); Fürth und Nürnberg
Collections
The model Universum Uhrenradio is part of the collections of the following members.