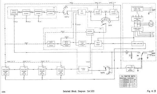
Digital Frequency Meter SA-520
Racal Engineering / Instruments / Electronics Ltd., Bracknell
- Land
- Grossbritannien (UK)
- Hersteller / Marke
- Racal Engineering / Instruments / Electronics Ltd., Bracknell
- Jahr
- 1962
- Kategorie
- Service- oder Labor-Ausrüstung
- Radiomuseum.org ID
- 199012
Klicken Sie auf den Schaltplanausschnitt, um diesen kostenlos als Dokument anzufordern.
- Anzahl Transistoren
- 87
- Halbleiter
- Wellenbereiche
- - ohne
- Betriebsart / Volt
- Netz und Power Jack, meist mit Batterie oder Akku / 45-60 Hz, 115; 200; 220; 240 / 2 x 15 Volt
- Lautsprecher
- - - Kein Ausgang für Schallwiedergabe.
- Material
- Metallausführung
- von Radiomuseum.org
- Modell: Digital Frequency Meter SA-520 - Racal Engineering /
- Form
- Tischgerät ohne Drucktasten, bis 35 cm Breite (Kleingerät, meist dekorativ. Nur für Netzbetrieb, doch Transportgriff möglich).
- Abmessungen (BHT)
- 194 x 165 x 184 mm / 7.6 x 6.5 x 7.2 inch
- Bemerkung
-
Frequenz-Periodendauer-Meßgerät. Portabler Betrieb mit externen Batterien (+/-15Volt) möglich.
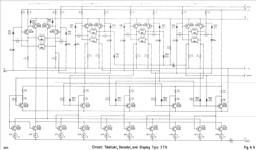
Frequency meter, Single and multiple period meter.
Four decades on vertical 'one-out-of-ten' filament bulbs. Display swiched off during counting.See also SA-520B
Direct frequency measurement up to 300 kHz with an accuracy of ± 1 count / ± 0.002 per cent.
- Nettogewicht
- 3.2 kg / 7 lb 0.8 oz (7.048 lb)
- Literaturnachweis
- -- Original-techn. papers.
- Literatur/Schema (1)
- Electronic Engineering, volume 34, July 1962
- Autor
- Modellseite von Hannes Gerber angelegt. Siehe bei "Änderungsvorschlag" für weitere Mitarbeit.
- Weitere Modelle
-
Hier finden Sie 113 Modelle, davon 62 mit Bildern und 19 mit Schaltbildern.
Alle gelisteten Radios usw. von Racal Engineering / Instruments / Electronics Ltd., Bracknell
Sammlungen
Das Modell Digital Frequency Meter befindet sich in den Sammlungen folgender Mitglieder.