C400 (RC-400) 10 Watt Audio Amplifier
Radio Craftsmen Inc., The; Chicago (IL)
- País
- Estados Unidos
- Fabricante / Marca
- Radio Craftsmen Inc., The; Chicago (IL)
- Año
- 1952/1952 ?
- Categoría
- Amplificador de audio o mezclador
- Radiomuseum.org ID
- 133539
Haga clic en la miniatura esquemática para solicitarlo como documento gratuito.
- Numero de valvulas
- 5
- Principio principal
- Amplificador de Audio
- Gama de ondas
- - no hay
- Tensión de funcionamiento
- Red: Corriente alterna (CA, Inglés = AC) / 60Hz, 117V=110-120 Volt
- Altavoz
- - Este modelo usa altavoz exterior (1 o más).
- Potencia de salida
- 10 W (unknown quality)
- Material
- Metálico con lámparas a la vista.
- de Radiomuseum.org
- Modelo: C400 10 Watt Audio Amplifier - Radio Craftsmen Inc., The;
- Forma
- Sobremesa de tamaño mediano sin botonera <= 35 cm. (Incluso portables pero sólo con alimantación por red).
- Anotaciones
-
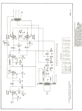
The Radio Craftsmen model C400 is an AC operated audio amplifier with one (mono) input (470 k). For optimum operation, the output tubes 6V6 should be a matched pair. Output is selectable for 4, 8 or 16 Ohm. In the late 40ies Radio Craftsmen started with the RC-1 Tuner Preamplifier and RC-2 Power Amplifier. The C400 also referred to as RC-400 was the second Power Amplifier made by Radio Craftsmen.
- Documentación / Esquemas (1)
- Photofact Folder, Howard W. SAMS (Date 11-52, set 186, folder 11)
- Autor
- Modelo creado por Ernst Erb. Ver en "Modificar Ficha" los participantes posteriores.
- Otros modelos
-
Donde encontrará 50 modelos, 45 con imágenes y 30 con esquemas.
Ir al listado general de Radio Craftsmen Inc., The; Chicago (IL)