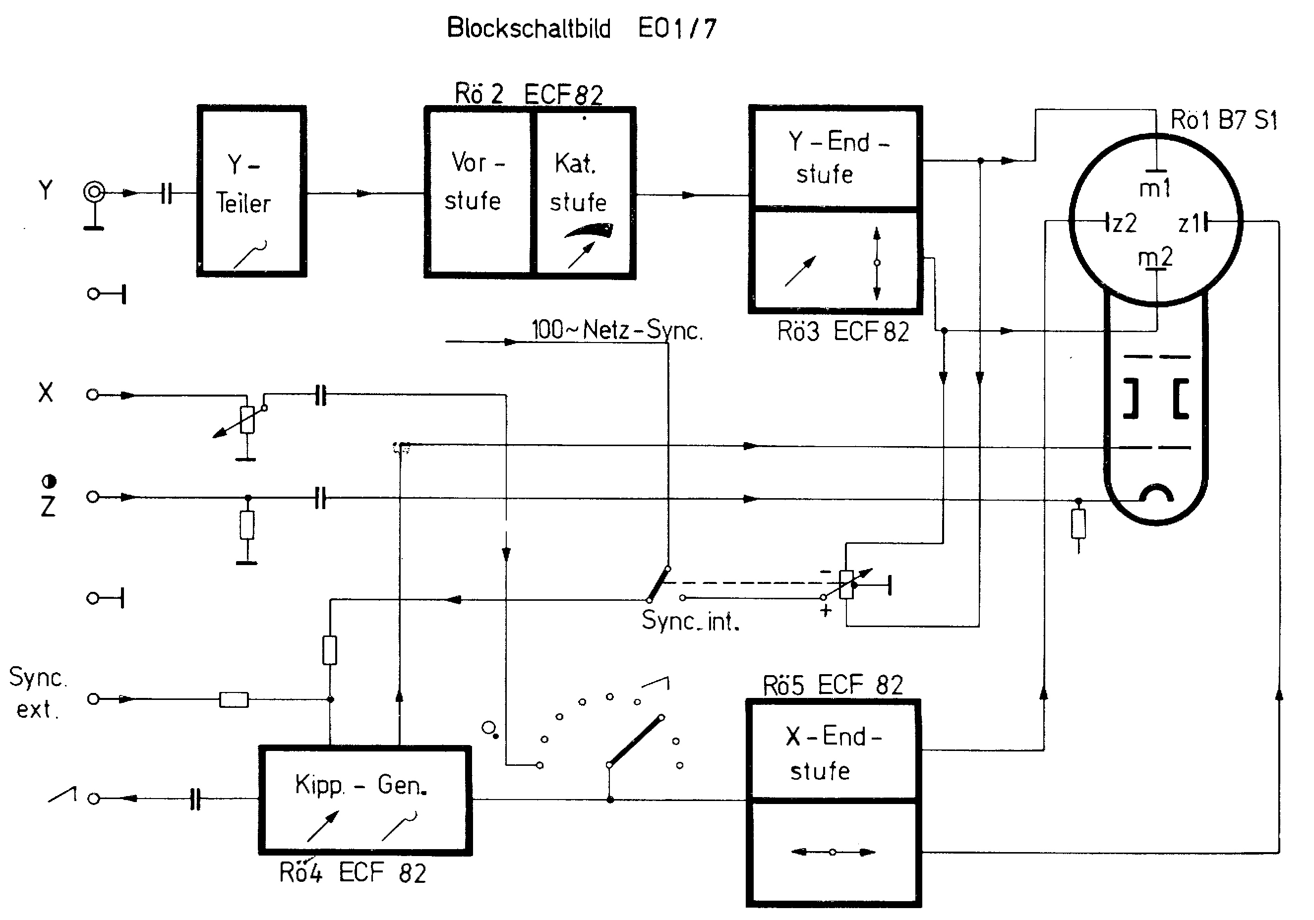
Picoskop EO1/7
Radio-Fernsehen-Elektro, PGH; Marienberg ; (Ostd.)
- Pays
- Allemagne
- Fabricant / Marque
- Radio-Fernsehen-Elektro, PGH; Marienberg ; (Ostd.)
- Année
- 1963–1968 ??
- Catégorie
- Appareils de mesure et de dépannage (matériel de labo)
- Radiomuseum.org ID
- 79624
Cliquez sur la vignette du schéma pour le demander en tant que document gratuit.
- No. de tubes
- 5
- Gammes d'ondes
- Bandes en notes
- Tension / type courant
- Alimentation Courant Alternatif (CA) / 220 Volt
- Matière
- Boitier métallique
- De Radiomuseum.org
- Modèle: Picoskop EO1/7 - Radio-Fernsehen-Elektro, PGH;
- Forme
- Modèle de table générique
- Dimensions (LHP)
- 125 x 185 x 205 mm / 4.9 x 7.3 x 8.1 inch
- Remarques
-
Service-Kleinoszillograf 2,5 Hz bis 1 MHz. - Entwickelt 1959 und bis ca. 1963 gebaut in TPW (Techn. Physikal. Werkstätten Thalheim).
Vertrieb auch in Westdeutschland durch RADIO-FERN Elektronik (348 DM incl. Zubehör).
- Poids net
- 4.5 kg / 9 lb 14.6 oz (9.912 lb)
- Prix de mise sur le marché
- 611.00 DM
- Source extérieure
- Eigenes Gerät
- Source
- Radiokatalog Band 2, Ernst Erb
- Littérature
- Anders, Schaltungssammlung der Meßgeräte, 1979
- Schémathèque (1)
- Katalog RADIO FERN ELEKTRONIK GmbH, Essen
- Auteur
- Modèle crée par Jörg Kulbe. Voir les propositions de modification pour les contributeurs supplémentaires.
- D'autres Modèles
-
Vous pourrez trouver sous ce lien 12 modèles d'appareils, 11 avec des images et 7 avec des schémas.
Tous les appareils de Radio-Fernsehen-Elektro, PGH; Marienberg ; (Ostd.)
Collections
Le modèle Picoskop fait partie des collections des membres suivants.
Musées
Le modèle Picoskop peut être vu dans les musées suivants.
Contributions du forum pour ce modèle: Radio-Fernsehen-: Picoskop EO1/7
Discussions: 1 | Publications: 1
Pièces jointes
- Bedienungsanleitung EO 1/7 Seite 2 (16 KB)
- Bedienungsanleitung EO 1/7 Seite 3 (130 KB)
- Bedienungsanleitung EO 1/7 Seite 4 (142 KB)
- Bedienungsanleitung EO 1/7 Seite 5 (192 KB)
- Bedienungsanleitung EO 1/7 Seite 6 (177 KB)
- Bedienungsanleitung EO 1/7 Seite 7 (170 KB)
- Bedienungsanleitung EO 1/7 Seite 8 (104 KB)
- Bedienungsanleitung EO 1/7 Seite 9 (79 KB)
- Bedienungsanleitung EO 1/7 Seite 10 (41 KB)
- Bedienungsanleitung EO 1/7 Seite 11 (130 KB)
- Bedienungsanleitung EO 1/7 Seite 12 (124 KB)
- Bedienungsanleitung EO 1/7 Seite 13 (118 KB)
- Bedienungsanleitung EO 1/7 Blockschaltbild (58 KB)
Uwe Ronneberger, 28.Jul.12