RA4490
Radiola (marque)
- Pays
- France
- Fabricant / Marque
- Radiola (marque)
- Année
- 1968 ?
- Catégorie
- Récepteur de télévision ou moniteur
- Radiomuseum.org ID
- 112071
-
- Brand: SFER
Cliquez sur la vignette du schéma pour le demander en tant que document gratuit.
- No. de tubes
- 5
- Lampes / Tubes
- No. de transistors
- 27
- Semi-conducteurs
- Principe général
- Super hétérodyne (en général)
- Gammes d'ondes
- VHF/UHF (voir details en note)
- Tension / type courant
- Alimentation Courant Alternatif (CA) / 110; 130; 220; 240 Volt
- Haut-parleur
- HP dynamique oval à aimant permanent
- De Radiomuseum.org
- Modèle: RA4490 - Radiola marque
- Forme
- Modèle de table profil bas (grand modèle).
- Dimensions (LHP)
- 530 x 380 x 300 mm / 20.9 x 15 x 11.8 inch
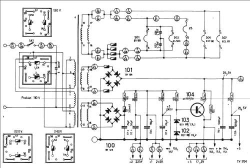
- Schémathèque (1)
- -- Original-techn. papers.
- Auteur
- Modèle crée par Peter Hoddow. Voir les propositions de modification pour les contributeurs supplémentaires.
- D'autres Modèles
-
Vous pourrez trouver sous ce lien 857 modèles d'appareils, 567 avec des images et 276 avec des schémas.
Tous les appareils de Radiola (marque)