RA6566
Radiola (marque)
- Country
- France
- Manufacturer / Brand
- Radiola (marque)
- Year
- 1965/1966
- Category
- Television Receiver (TV) or Monitor
- Radiomuseum.org ID
- 112082
-
- Brand: SFER
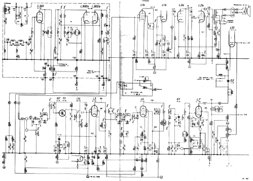
Click on the schematic thumbnail to request the schematic as a free document.
- Number of Tubes
- 15
- Valves / Tubes
- EBF89 PCL86 EF184 EF184 PF86 PCL85 EL183 PCF80 PCF80 PL500 PY88 DY86 PC900 PCF801 unknown_Tube
- Number of Transistors
- 3
- Semiconductors
- Main principle
- Superheterodyne (common)
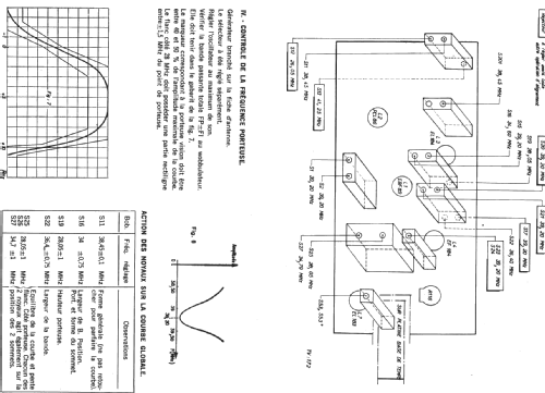
- Wave bands
- Wave Bands given in the notes.
- Power type and voltage
- Alternating Current supply (AC) / 110; 127; 220; 240 Volt
- Loudspeaker
- Permanent Magnet Dynamic (PDyn) Loudspeaker (moving coil)
- Power out
- 2.5 W (unknown quality)
- from Radiomuseum.org
- Model: RA6566 - Radiola marque
- Shape
- Tablemodel, with any shape - general.
- Dimensions (WHD)
- 760 x 565 x 410 mm / 29.9 x 22.2 x 16.1 inch
- Notes
- Transistors: 2× AF139, AF181.
- Literature/Schematics (1)
- -- Original-techn. papers.
- Author
- Model page created by Peter Hoddow. See "Data change" for further contributors.
- Other Models
-
Here you find 857 models, 567 with images and 276 with schematics for wireless sets etc. In French: TSF for Télégraphie sans fil.
All listed radios etc. from Radiola (marque)