Ultimate ED Table cabinet.
Ultimate (Brand), Radio Ltd. & Radio (1936) Ltd.; Auckland
- Country
- New Zealand-Aotearoa
- Manufacturer / Brand
- Ultimate (Brand), Radio Ltd. & Radio (1936) Ltd.; Auckland
- Year
- 1940
- Category
- Broadcast Receiver - or past WW2 Tuner
- Radiomuseum.org ID
- 264764
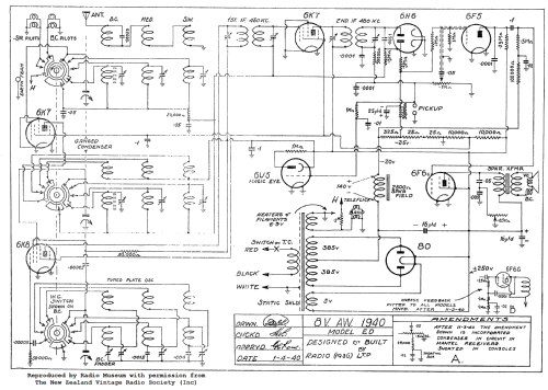
Click on the schematic thumbnail to request the schematic as a free document.
- Number of Tubes
- 8
- Main principle
- Superhet with RF-stage; ZF/IF 460 kHz; 3 AF stage(s)
- Tuned circuits
- 7 AM circuit(s)
- Wave bands
- Broadcast plus 2 Short Wave bands.
- Power type and voltage
- Alternating Current supply (AC) / 50Hz, 230 Volt
- Loudspeaker
- Electro Magnetic Dynamic LS (moving-coil with field excitation coil) / Ø 8 inch = 20.3 cm
- Material
- Wooden case
- from Radiomuseum.org
- Model: Ultimate ED [Table cabinet.] - Ultimate Brand, Radio Ltd. &
- Shape
- Tablemodel, low profile (big size).
- Notes
-
Console cabinet also. Distributed in Australia by George Brown & Co. Pty Ltd, 267 Clarence St, Sydney.
Same chassis used in:
- Mentioned in
- Mingay's "Radio Diagram & I.F. Index
- Literature/Schematics (1)
- Australian Official Radio Service Manual Vol. IV
- Author
- Model page created by Stuart Irwin. See "Data change" for further contributors.
- Other Models
-
Here you find 165 models, 141 with images and 147 with schematics for wireless sets etc. In French: TSF for Télégraphie sans fil.
All listed radios etc. from Ultimate (Brand), Radio Ltd. & Radio (1936) Ltd.; Auckland