Vollautomat TR765
Radione (RADIO Nikolaus Eltz); Wien
- Country
- Austria
- Manufacturer / Brand
- Radione (RADIO Nikolaus Eltz); Wien
- Year
- 1968
- Category
- Television Receiver (TV) or Monitor
- Radiomuseum.org ID
- 84340
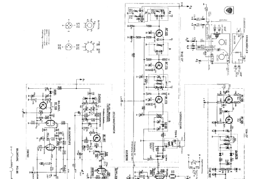
Click on the schematic thumbnail to request the schematic as a free document.
- Number of Tubes
- 10
- Number of Transistors
- 12
- Semiconductors
- Main principle
- Superheterodyne (common)
- Wave bands
- Wave Bands given in the notes.
- Power type and voltage
- Alternating Current supply (AC) / 220 Volt
- Loudspeaker
- Permanent Magnet Dynamic (PDyn) Loudspeaker (moving coil)
- Material
- Wooden case
- from Radiomuseum.org
- Model: Vollautomat TR765 - Radione RADIO Nikolaus Eltz;
- Shape
- Tablemodel with Push Buttons.
- Notes
- Empfangsbereich VHF + UHF. 65-cm-Bild.
- Source of data
- Radiokatalog Band 2, Ernst Erb
- Literature/Schematics (1)
- -- Original-techn. papers.
- Author
- Model page created by Wolfgang Bauer. See "Data change" for further contributors.
- Other Models
-
Here you find 520 models, 363 with images and 322 with schematics for wireless sets etc. In French: TSF for Télégraphie sans fil.
All listed radios etc. from Radione (RADIO Nikolaus Eltz); Wien