Wehrmacht R3B 6 Volt
Radione (RADIO Nikolaus Eltz); Wien
- País
- Austria
- Fabricante / Marca
- Radione (RADIO Nikolaus Eltz); Wien
- Año
- 1942/1943
- Categoría
- Radio - o Sintonizador pasado WW2
- Radiomuseum.org ID
- 10368
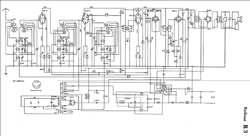
Haga clic en la miniatura esquemática para solicitarlo como documento gratuito.
- Numero de valvulas
- 7
- Principio principal
- Superheterodino con paso previo de RF; ZF/IF 460 kHz
- Número de circuitos sintonía
- 7 Circuíto(s) AM
- Gama de ondas
- Bandas de recepción puestas en notas.
- Tensión de funcionamiento
- Red / Baterías o pilas / 110-220 / 6 Volt
- Altavoz
- Altavoz dinámico (de imán permanente)
- Material
- Metálico
- de Radiomuseum.org
- Modelo: Wehrmacht R3B [6 Volt] - Radione RADIO Nikolaus Eltz;
- Forma
- Portátil > 20 cm (sin la necesidad de una red)
- Ancho, altura, profundidad
- 360 x 240 x 180 mm / 14.2 x 9.4 x 7.1 inch
- Anotaciones
- Keine Bezeichnungsschilder bei Schalter und Knöpfen
2 Frequenzbereiche: 200-500kHz und 500-1550kHz.
- Peso neto
- 10.5 kg / 23 lb 2 oz (23.128 lb)
- Ext. procedencia de los datos
- E. Erb 3-907007-36-0
- Procedencia de los datos
- Radiokatalog Band 2, Ernst Erb
- Otros modelos
-
Donde encontrará 520 modelos, 363 con imágenes y 322 con esquemas.
Ir al listado general de Radione (RADIO Nikolaus Eltz); Wien
Colecciones
El modelo Wehrmacht es parte de las colecciones de los siguientes miembros.
Contribuciones en el Foro acerca de este modelo: Radione RADIO: Wehrmacht R3B
Hilos: 1 | Mensajes: 1
Ein Bericht aus dem "Museum Bote" Nr.91, Februar 1999, Autor Peter Braunstein:
RADIONE R3B
Die Radione R2 und R3 Geräte wurden wie bereits berichtet (vgl. MB Nr. 53) in vielen Varianten gefertigt. Wer da einen Sonderwunsch für eine spezielle Anwendung hatte und eine größere Stückzahl in Auftrag gab, schaffte damit so unwillkürlich eine neue R2 bzw. R3 Variante. Funküberwachungsdienste, Rundfunkanstalten und vor allem die deutsche Wehrmacht waren Auftraggeber. Es ist kaum möglich, all diese Mutationen zu dokumentieren. Erschwert wird dieser Umstand, dass es dann noch gleich lautende Bezeichnungen mit Variationen gibt. Egal, diese Geräte sind ohnehin so selten, dass es sich lohnt belegbare Erkenntnisse festzuhalten und zu veröffentlichen.
Heute stelle ich Ihnen ein Gerät mit der Bezeichnung Radione R3B vor. Dabei ist besonders darauf hinzuweisen, dass der Buchstabe "B" groß geschrieben ist, denn es gab auch eine Version mit einem kleinen " b".
Der Besitzer des Gerätes schrieb mir:
Es sind keine Schildchen über die Funktionen der Schalter und Knöpfe vorhanden, im Gehäuse sind auch keine Löcher dafür vorgesehen. Irgendeine Manipulation am Typenschild oder an der Skala ist nicht erkennbar. Dem ganzen Eindruck nach ist das Gerät im Originalzustand. Hier kurz die Daten:
Type: R3B Fabr.Nr. 635 Volt: 110-22016 Empfangsfrequenz laut Skala (2 Bereiche) 200-500 kHz und 500-1550 kHz Röhrenbestückung: EF13, ECH11, EF12, EBC11, EDD11, EZ11, EBC11.
BFO ist vorhanden, Netzanschluss ist vorhanden.
Soweit diese Variante.
Eine weitere R3B Variante meldete ein anderer Sammlerkollege:
Ich habe ein Gerät erworben, welches ein R3 sein sollte. Bei näherer Betrachtung stellte sich aber heraus, dass es sich um einen R3B handelt, der MW und LW besitzt, aber keine KW.
Dann möchte ich noch die Varianten aus der Aufstellung von MB 53 in Erinnerung bringen:
R3B von 1942 mit 3x KW
R3b von 1944 ohne Netzanschluss
Also keine der vier hier genannten Geräte ist ident. Wenn Sie auch noch Varianten und Versionen kennen, so geben sie mir bitte Bescheid.
Abbildung der Skalenscheibe:
Gerhard Heigl, 08.Dec.03