Victoria S571A
Radio Popular; București - Bucharest
- Country
- Romania
- Manufacturer / Brand
- Radio Popular; București - Bucharest
- Year
- 1957
- Category
- Broadcast Receiver - or past WW2 Tuner
- Radiomuseum.org ID
- 86073
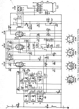
Click on the schematic thumbnail to request the schematic as a free document.
- Number of Tubes
- 4
- Main principle
- Superheterodyne (common); ZF/IF 473.6 kHz; 2 AF stage(s)
- Wave bands
- Broadcast, Long Wave and Short Wave.
- Power type and voltage
- Alternating Current supply (AC) / 110/127/150/220/240 Volt
- Loudspeaker
- Permanent Magnet Dynamic (PDyn) Loudspeaker (moving coil) / Ø 19 cm = 7.5 inch
- Power out
- 2.5 W (unknown quality)
- Material
- Wooden case
- from Radiomuseum.org
- Model: Victoria S571A - Radio Popular; București -
- Shape
- Tablemodel with Push Buttons.
- Dimensions (WHD)
- 530 x 375 x 225 mm / 20.9 x 14.8 x 8.9 inch
- Notes
- Bands: LW: 150-300 KHz; MW: 600-1600KHz; SW: 6-12 MHz.
- Net weight (2.2 lb = 1 kg)
- 10 kg / 22 lb 0.4 oz (22.026 lb)
- Literature/Schematics (1)
- T. Chiric, I. Dinu, N. Soroceanu, Scheme de radioreceptoare, Ed. Tehnica, 1973;
- Author
- Model page created by Lenuta Chirita. See "Data change" for further contributors.
- Other Models
-
Here you find 44 models, 31 with images and 36 with schematics for wireless sets etc. In French: TSF for Télégraphie sans fil.
All listed radios etc. from Radio Popular; București - Bucharest
Collections
The model Victoria is part of the collections of the following members.
Forum contributions about this model: Radio Popular;: Victoria S571A
Threads: 1 | Posts: 4
Dieses mit fettem schwarzem festem Staub überzogene Gerät kaufte ich vor 10 Jahren in der ehemaligen DDR. Leider fehlt die mal vorhandene Rückwand, eine Logo ist nirgends auszumachen, auch nicht auf der Skala. Ein Vergleich mit den ungarischen Oriontypen 201, 301 und 303 läßt viele Gemeinsamkeiten erkennen. Bestückung ECH81, EBF80, EL84 und EZ80, die Gehäuseform ist aber zu Orion nicht ganz passend. Das Gerät oder Teile davon waren indes mal in Moskau (Stempel Unterseite "Stalin" etc), die Kondensatoren sind von Rewix (?) und die gut hergestellte Skala ist auf Osteuropa ausgerichtet mit vielleicht einem westdeutschen Sender ( Frankfurt/Main oder doch Franfurt/Oder- ich meine mich zu erinnern, daß letztere öfters im Süden "störten"). Die Skala scheint für den deutschen Sprachgebrauch bestimmt zu sein. Sind solche "Ostblock"-Geräte in die DDR importiert worden, mit mehr oder weniger Veränderungen und unter Weglassen des Logo oder eines Erkennungszeichens für das Ursprungsland?
Näheres siehe Bilder.
Attachments
- DDR_Forum-a1 (99 KB)
- DDR_Forum-b2 (85 KB)
- DDR_Forum-c3 (93 KB)
- DDR_Forum-d4 (83 KB)
- DDR_Forum-e5 (49 KB)
- DDR_Forum-f6 (99 KB)
Manfred Rathgeb, 02.Nov.20