Serenade à cadre incorporé
Radio Test; Paris
- País
- Francia
- Fabricante / Marca
- Radio Test; Paris
- Año
- 1953
- Categoría
- Radio - o Sintonizador pasado WW2
- Radiomuseum.org ID
- 68703
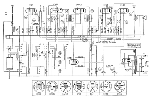
Haga clic en la miniatura esquemática para solicitarlo como documento gratuito.
- Numero de valvulas
- 7
- Principio principal
- ZF/IF 480 kHz
- Gama de ondas
- OM, OL y dos OC
- Tensión de funcionamiento
- Red: Corriente alterna (CA, Inglés = AC) / 110 - 240 Volt
- Altavoz
- Altavoz dinámico (de imán permanente)
- Material
- Madera
- de Radiomuseum.org
- Modelo: Serenade à cadre incorporé - Radio Test; Paris
- Anotaciones
- 2 OC dont une bande étalée.
- Ext. procedencia de los datos
- Serge Laffont/Martin Renoth
- Otros modelos
-
Donde encontrará 43 modelos, 33 con imágenes y 25 con esquemas.
Ir al listado general de Radio Test; Paris