TV-Selektograf SO86F1
Radio und Fernsehen Karl-Marx-Stadt, VEB; (Ostd.)
- Country
- Germany
- Manufacturer / Brand
- Radio und Fernsehen Karl-Marx-Stadt, VEB; (Ostd.)
- Year
- 1970 ??
- Category
- Service- or Lab Equipment
- Radiomuseum.org ID
- 122746
-
- Brand: Serute
Click on the schematic thumbnail to request the schematic as a free document.
- Number of Tubes
- 14
- Valves / Tubes
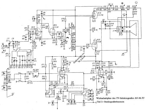
- EC86 ECC88 EC92 ECF82 ECF82 ECF82 ECF82 ECF82 ECL84 ECC91 EZ81 EC360 EF80 B7S1 StR150/30
- Wave bands
- Wave Bands given in the notes.
- Power type and voltage
- Alternating Current supply (AC) / 200; 220; 240 Volt
- Loudspeaker
- - - No sound reproduction output.
- Material
- Metal case
- from Radiomuseum.org
- Model: TV-Selektograf SO86F1 - Radio und Fernsehen Karl-Marx-
- Shape
- Tablemodel, low profile (big size).
- Dimensions (WHD)
- 550 x 320 x 250 mm / 21.7 x 12.6 x 9.8 inch
- Notes
- Schmalband-Wobbelgenerator, Oszillograf und Markengenerator zur Darstellung von Selektions- und Filterkurven. 5 - 310 und 470 -810 MHz in 12 Bereichen.
- Net weight (2.2 lb = 1 kg)
- 20 kg / 44 lb 0.8 oz (44.053 lb)
- Mentioned in
- Anders; Schaltungssammlung der Meßgeräte; DDR 1979
- Author
- Model page created by Wolfgang Eckardt. See "Data change" for further contributors.
- Other Models
-
Here you find 19 models, 17 with images and 13 with schematics for wireless sets etc. In French: TSF for Télégraphie sans fil.
All listed radios etc. from Radio und Fernsehen Karl-Marx-Stadt, VEB; (Ostd.)
Collections
The model TV-Selektograf is part of the collections of the following members.