17T211 "Ashton" Ch= KCS72M1
RCA (RCA Victor Co. Inc.); New York (NY)
- Pays
- Etats-Unis
- Fabricant / Marque
- RCA (RCA Victor Co. Inc.); New York (NY)
- Année
- 1952
- Catégorie
- Récepteur de télévision ou moniteur
- Radiomuseum.org ID
- 218965
-
- alternative name: RCA Manufacturing || Victor Talking Machine
Cliquez sur la vignette du schéma pour le demander en tant que document gratuit.
- No. de tubes
- 23
- Lampes / Tubes
- 6CB6 6J6 6CB6 6CB6 6CB6 12AU7 6AG7 6AU6 6AU6 6AL5 6AV6 6K6GT 6AU6 6SN7GT 6J5 6K6GT 6SN7GT 6BQ6GT 6W4GT 1B3GT 5U4G 5Y3GT 17QP4
- Principe général
- Super hétérodyne avec étage HF
- Gammes d'ondes
- VHF/UHF (voir details en note)
- Tension / type courant
- Alimentation Courant Alternatif (CA) / 115 Volt
- Haut-parleur
- HP dynamique à aimant permanent + bobine mobile / Ø 8 inch = 20.3 cm
- Puissance de sortie
- 4 W (qualité inconnue)
- Matière
- Boitier en bois
- De Radiomuseum.org
- Modèle: 17T211 "Ashton" Ch= KCS72M1 - RCA RCA Victor Co. Inc.; New
- Forme
- Console de forme générique
- Dimensions (LHP)
- 24.5 x 35.25 x 21.75 inch / 622 x 895 x 552 mm
- Remarques
- The RCA 17T211 "Ashton" is a 17" b/w TV with US standard VHF tuner channels 2 thru 13. Equipped with chassis KCS72M1 and picture tube 17QP4. Cabinet was available in Blonde, Mahogany or Walnut. Has auxiliary audio input jack to permit use of external record player.
- Poids net
- 95 lb (95 lb 0 oz) / 43.130 kg
- Schémathèque (1)
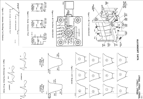
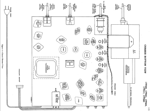
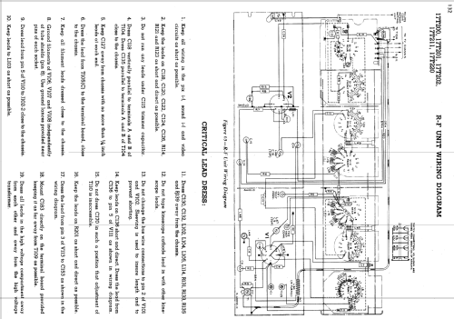
- RCA Victor Service Notes "Red Book" Series (Volume VIII 1952, Page 109)
- Auteur
- Modèle crée par John Kusching. Voir les propositions de modification pour les contributeurs supplémentaires.
- D'autres Modèles
-
Vous pourrez trouver sous ce lien 5179 modèles d'appareils, 3253 avec des images et 4216 avec des schémas.
Tous les appareils de RCA (RCA Victor Co. Inc.); New York (NY)