211-CDR-837 Ch= CTC10E, CTP7B
RCA (RCA Victor Co. Inc.); New York (NY)
- Country
- United States of America (USA)
- Manufacturer / Brand
- RCA (RCA Victor Co. Inc.); New York (NY)
- Year
- 1960/1961
- Category
- Television Receiver (TV) or Monitor
- Radiomuseum.org ID
- 243921
-
- alternative name: RCA Manufacturing || Victor Talking Machine
Click on the schematic thumbnail to request the schematic as a free document.
- Number of Tubes
- 32
- Valves / Tubes
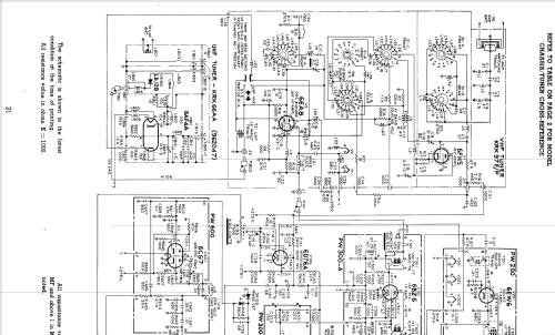
- 6FH5 6EA8 6BZ6 6GM6 6AW8A 6AW8A 12BY7A 6EW6 6DT6A 6AQ5A 6EM7 6DT6A 6CG7 6DQ5 6AU4GTA 1V2 3A3 6BK4 6AU6 6EW6 12AZ7 6CG7 6CG7 6GH8 6AL5 21CYP22A 12AX7 12AX7 6BN8 6EV7 6EV7 6EV7
- Number of Transistors
- 1
- Semiconductors
- 2N406
- Main principle
- Superhet with RF-stage
- Wave bands
- VHF incl. FM and/or UHF (see notes for details)
- Power type and voltage
- Alternating Current supply (AC) / 60 cycles, 120 Volt
- Power out
- 2.5 W (max.)
- from Radiomuseum.org
- Model: 211-CDR-837 Ch= CTC10E, CTP7B - RCA RCA Victor Co. Inc.; New
- Shape
- Console with any shape - in general
- Notes
-
The RCA 211-CDR-837 is a 21" color TV with US standard VHF Tuner channels 2 thru 13. Has remote control. Equipped with chassis CTC10E, remote control chassis CTP7B, VHF tuner KRK96H and picture tube 21CYP22A. Uses remote control CRK3F which uses transistor 2N406. Cabinet is Oak.
- Source of data
- -- Original prospect or advert
- Literature/Schematics (1)
- - - Manufacturers Literature (RCA Datasheet 1960 No. T5 First Edition dated 5-10-60)
- Author
- Model page created by John Kusching. See "Data change" for further contributors.
- Other Models
-
Here you find 5180 models, 3254 with images and 4217 with schematics for wireless sets etc. In French: TSF for Télégraphie sans fil.
All listed radios etc. from RCA (RCA Victor Co. Inc.); New York (NY)