211-CDR-935U Ch= CTC10F, CTP7B
RCA (RCA Victor Co. Inc.); New York (NY)
- Produttore / Marca
- RCA (RCA Victor Co. Inc.); New York (NY)
- Anno
- 1960/1961
- Categoria
- Televisore (TV) / Monitor
- Radiomuseum.org ID
- 243952
-
- alternative name: RCA Manufacturing || Victor Talking Machine
Clicca sulla miniatura dello schema per richiederlo come documento gratuito.
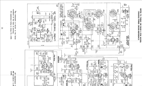
- Numero di tubi
- 33
- Valvole
- 6FH5 6EA8 6AF4A 6BZ6 6GM6 6AW8A 6AW8A 12BY7A 6EW6 6DT6A 6AQ5A 6EM7 6DT6A 6CG7 6DQ5 6AU4GTA 1V2 3A3 6BK4 6AU6 6EW6 12AZ7 6CG7 6CG7 6GH8 6AL5 21CYP22A 12AX7 12AX7 6BN8 6EV7 6EV7 6EV7
- Numero di transistor
- 1
- Semiconduttori
- 2N406
- Principio generale
- Supereterodina con stadio RF
- Gamme d'onda
- VHF/UHF (ved. i dettagli nelle note)
- Tensioni di funzionamento
- Alimentazione a corrente alternata (CA) / 60 cycles, 120 Volt
- Potenza d'uscita
- 2.5 W (max.)
- Radiomuseum.org
- Modello: 211-CDR-935U Ch= CTC10F, CTP7B - RCA RCA Victor Co. Inc.; New
- Forma
- Console di qualsiasi tipo
- Annotazioni
-
The RCA 211-CDR-935U is a 21" color TV with US standard VHF Tuner channels 2 thru 13, 14 thru 83 UHF. Has Remote Control. Equipped with chassis CTC10F, remote control chassis CTP7B, VHF tuner KRK97H, UHF tuner KRK66AB and picture tube 21CYP22A. Uses remote control CRK3F which uses transistor 2N406. Cabinet is Mahogany.
- Fonte dei dati
- -- Original prospect or advert
- Letteratura / Schemi (1)
- - - Manufacturers Literature (RCA Datasheet 1960 No. T5 First Edition dated 5-10-60)
- Autore
- Modello inviato da John Kusching. Utilizzare "Proponi modifica" per inviare ulteriori dati.
- Altri modelli
-
In questo link sono elencati 5179 modelli, di cui 3253 con immagini e 4216 con schemi.
Elenco delle radio e altri apparecchi della RCA (RCA Victor Co. Inc.); New York (NY)