21-D-317 Ch= KCS81, B
RCA (RCA Victor Co. Inc.); New York (NY)
- País
- Estados Unidos
- Fabricante / Marca
- RCA (RCA Victor Co. Inc.); New York (NY)
- Año
- 1953 ?
- Categoría
- Televisión (TV) o monitor
- Radiomuseum.org ID
- 363815
-
- alternative name: RCA Manufacturing || Victor Talking Machine
Haga clic en la miniatura esquemática para solicitarlo como documento gratuito.
- Numero de valvulas
- 26
- Válvulas
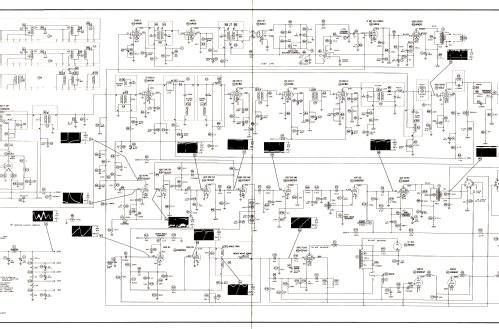
- 6BQ7A 6AF4 6BQ7A 6S4 6AU6 6CB6 6CB6 6CB6 6CL6 12AU7 6AU6 6AU6 6AL5 6AV6 6AQ5 6SN7GT 6AQ5 12AU7 6SN7GT 6CD6G 6W4GT 6W4GT 1B3GT 5U4G 5U4G 21AP4
- Principio principal
- Superheterodino con paso previo de RF; ZF/IF 455 kHz
- Gama de ondas
- Bandas de recepción puestas en notas.
- Tensión de funcionamiento
- Red: Corriente alterna (CA, Inglés = AC) / 60 Hz, 117V = 110 -120 Volt
- Altavoz
- Altavoz dinámico (de imán permanente) / Ø 12 inch = 30.5 cm
- Material
- Madera
- de Radiomuseum.org
- Modelo: 21-D-317 Ch= KCS81, B - RCA RCA Victor Co. Inc.; New
- Forma
- Consola baja, patas más cortas del 50%.
- Anotaciones
-
RCA Victor model 21-D-317 is a 21” b/w TV with US standard VHF tuner channels 2 thru
13, and 14 thru 83 UHF. Equipped with chassis KCS81, B, VHF- UHF tuner KRK-11-B, and picture tube 21AP4.
- Documentación / Esquemas (2)
- Photofact Folder, Howard W. SAMS (Set 208, folder 8, dated 7-53)
- Autor
- Modelo creado por Dirk Taekels. Ver en "Modificar Ficha" los participantes posteriores.
- Otros modelos
-
Donde encontrará 5179 modelos, 3252 con imágenes y 4216 con esquemas.
Ir al listado general de RCA (RCA Victor Co. Inc.); New York (NY)