26X-4 RC-1014B
RCA (RCA Victor Co. Inc.); New York (NY)
- País
- Estados Unidos
- Fabricante / Marca
- RCA (RCA Victor Co. Inc.); New York (NY)
- Año
- 1941
- Categoría
- Radio - o Sintonizador pasado WW2
- Radiomuseum.org ID
- 53327
-
- alternative name: RCA Manufacturing || Victor Talking Machine
Haga clic en la miniatura esquemática para solicitarlo como documento gratuito.
- Numero de valvulas
- 6
- Principio principal
- Superheterodino en general
- Gama de ondas
- OM (onda media) solamente
- Tensión de funcionamiento
- Red: Aparato AC/DC. / 117 Volt
- Altavoz
- Altavoz dinámico (de imán permanente)
- Material
- Madera
- de Radiomuseum.org
- Modelo: 26X-4 RC-1014B - RCA RCA Victor Co. Inc.; New
- Forma
- Sobremesa de cualquier forma, detalles no conocidos.
- Anotaciones
- 2 built-in antennas.
- Ext. procedencia de los datos
- Ernst Erb
- Procedencia de los datos
- The Radio Collector's Directory and Price Guide 1921 - 1965
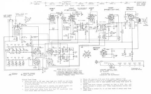
- Referencia esquema
- Rider's Perpetual, Volume 13 = 1942 and before
- Mencionado en
- Collector's Guide to Antique Radios 4. Edition
- Documentación / Esquemas (1)
- Radio Retailing (Radio & Television R.) (July 1941.)
- Otros modelos
-
Donde encontrará 5179 modelos, 3252 con imágenes y 4216 con esquemas.
Ir al listado general de RCA (RCA Victor Co. Inc.); New York (NY)