6-T-86 "Rutland" Ch= KCS48 & RC1092
RCA (RCA Victor Co. Inc.); New York (NY)
- País
- Estados Unidos
- Fabricante / Marca
- RCA (RCA Victor Co. Inc.); New York (NY)
- Año
- 1949/1950

- Categoría
- Televisión con radio y/o grabadora.
- Radiomuseum.org ID
- 231262
-
- alternative name: RCA Manufacturing || Victor Talking Machine
Haga clic en la miniatura esquemática para solicitarlo como documento gratuito.
- Numero de valvulas
- 30
- Válvulas
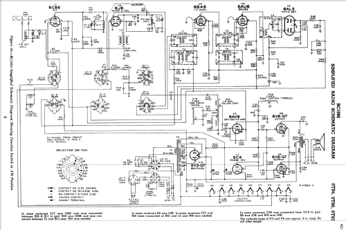
- 6CB6 6J6 6BA6 6AV6 6AL5 6AV6 6C4 6V6GT 6V6GT 5Y3GT 6CB6 6J6 6AU6 6AU6 6AL5 6AU6 6CB6 6AU6 6CB6 6AL5 12AU7 12AU7 6SN7GT 6K6GT 6SN7GT 6BG6G 6W4GT 1B3GT or 8016 5U4G 16GP4 or 16GP4A or 16GP4B or 16GP4C
- Principio principal
- Superheterodino con paso previo de RF
- Gama de ondas
- Bandas de recepción puestas en notas.
- Especialidades
- Tocadiscos con cambiador autom.
- Tensión de funcionamiento
- Red: Corriente alterna (CA, Inglés = AC) / 60 cycles, 115 Volt
- Altavoz
- Altavoz dinámico (de imán permanente) / Ø 12 inch = 30.5 cm
- Potencia de salida
- 11 W (max.)
- Material
- Madera
- de Radiomuseum.org
- Modelo: 6-T-86 "Rutland" Ch= KCS48 & RC1092 - RCA RCA Victor Co. Inc.; New
- Forma
- Consola en general
- Ancho, altura, profundidad
- 38.5 x 39 x 22.25 inch / 978 x 991 x 565 mm
- Anotaciones
-
The RCA 6T86 is an AC operated 30 tube combination BC/FM radio, phonograph and 16" b/w TV with US standard VHF tuner channels 2 thru 13. Equipped with picture tube 16GP4, 16GP4A, 16GP4B or 16GP4C. Cabinet color is Walnut, Mahogany or Oak. Has both a 45 RPM record changer and a 33 1/3, 78 RPM record changer. The 45 RPM record changer used is model RP-168, which holds up to ten 7 inch fine groove records or model RP-190, which holds up to twelve 7 inch fine groove records. The 33 1/3, 78 RPM record changer used in this model is 960285 or 960284, which hold up to ten 12 inch or twelve 10 inch records.
The BC band frequency range is 540 to 1600kHz. The FM band frequency range is 88 to 108MHz.
This model uses TV chassis KCS48, which has 20 tubes (including the picture tube). The 6T86 was also available using TV chassis KCS48T, which has 21 tubes (including the picture tube). The radio chassis (RC1092) has 10 tubes and has a push-pull output stage.
The TV alignment data and waveform photographs can be found in RCA model 6T53 data (Pages 372 to 385 in RCA Victor Service Data Volume VI 1950).
Model Chassis Matrix Model TV Chassis Radio Chassis 6T84 KCS48 RC1090 (AM) 6T84 KCS48T RC1090 (AM) 6T86 KCS48 RC1092 (AM & FM) 6T86 KCS48T RC1092 (AM & FM) 6T87 KCS48 RC1092 (AM & FM) 6T87 KCS48T RC1092 (AM & FM)
- Peso neto
- 177 lb (177 lb 0 oz) / 80.358 kg
- Precio durante el primer año
- 525.00 $
- Procedencia de los datos
- - - Manufacturers Literature
- Documentación / Esquemas (2)
- RCA Victor Service Notes "Red Book" Series (RCA Victor Service Data Volume VI 1950 Pages 413-436)
- Autor
- Modelo creado por John Kusching. Ver en "Modificar Ficha" los participantes posteriores.
- Otros modelos
-
Donde encontrará 5179 modelos, 3253 con imágenes y 4216 con esquemas.
Ir al listado general de RCA (RCA Victor Co. Inc.); New York (NY)