- Land
- USA
- Hersteller / Marke
- RCA (RCA Victor Co. Inc.); New York (NY)
- Jahr
- 1937
- Kategorie
- Rundfunkempfänger (Radio - oder Tuner nach WW2)
- Radiomuseum.org ID
- 53767
-
- anderer Name: RCA Manufacturing || Victor Talking Machine
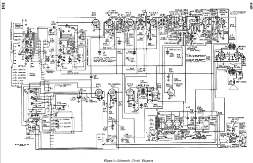
Klicken Sie auf den Schaltplanausschnitt, um diesen kostenlos als Dokument anzufordern.
- Anzahl Röhren
- 16
- Hauptprinzip
- Super mit HF-Vorstufe; ZF/IF 460 kHz
- Wellenbereiche
- Mittelwelle und mehr als 2 x Kurzwelle.
- Betriebsart / Volt
- Wechselstromspeisung / 105-125 Volt
- Lautsprecher
- Dynamischer LS, mit Erregerspule (elektrodynamisch) / Ø 12 inch = 30.5 cm
- Belastbarkeit / Leistung
- 25 W (Qualität unbekannt)
- Material
- Gerät mit Holzgehäuse
- von Radiomuseum.org
- Modell: 816K - RCA RCA Victor Co. Inc.; New
- Form
- Standgerät mit Drucktasten.
- Abmessungen (BHT)
- 30 x 43 x 18 inch / 762 x 1092 x 457 mm
- Bemerkung
- BC and 6xSW: 530-1,720 kc; 2,400-7,100 kc; 7,100-21,750 kc; Spread bands 49 m, 31 m, 25 m, 19 m. AFC.
There is also the similar canadian model 816K.
- Nettogewicht
- 68 kg / 149 lb 12.5 oz (149.78 lb)
- Datenherkunft extern
- Ernst Erb
- Schaltungsnachweis
- Rider's Perpetual, Volume 9 = 1938 and before
- Literaturnachweis
- Collector's Guide to Antique Radios 4. Edition
- Literatur/Schema (1)
- Pre-War Consoles
- Literatur/Schema (2)
- RCA Victor Service Notes for 1937 (RCA Redbook)
- Weitere Modelle
-
Hier finden Sie 5179 Modelle, davon 3252 mit Bildern und 4216 mit Schaltbildern.
Alle gelisteten Radios usw. von RCA (RCA Victor Co. Inc.); New York (NY)
Sammlungen
Das Modell 816K befindet sich in den Sammlungen folgender Mitglieder.