- Country
- Canada
- Manufacturer / Brand
- RCA Victor (International), Montreal
- Year
- 1941/1942
- Category
- Broadcast Receiver - or past WW2 Tuner
- Radiomuseum.org ID
- 152285
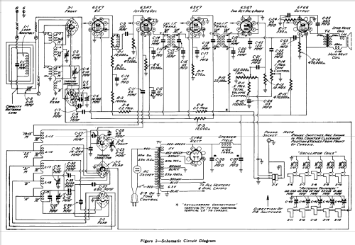
Click on the schematic thumbnail to request the schematic as a free document.
- Number of Tubes
- 6
- Main principle
- Superheterodyne (common); ZF/IF 455 kHz
- Wave bands
- Broadcast plus more than 2 Short Wave bands.
- Power type and voltage
- Alternating Current supply (AC) / 105-125 Volt
- Loudspeaker
- Permanent Magnet Dynamic (PDyn) Loudspeaker (moving coil) / Ø 12 inch = 30.5 cm
- Power out
- 4.5 W (unknown quality)
- Material
- Wooden case
- from Radiomuseum.org
- Model: A-37 - RCA Victor International,
- Shape
- Console with Push Buttons.
- Dimensions (WHD)
- 25.75 x 35.5 x 11.75 inch / 654 x 902 x 298 mm
- Price in first year of sale
- 124.95 CAD
- Source of data
- -- Original-techn. papers.
- Mentioned in
- RCA Volume 3 page 33
- Literature/Schematics (1)
- Pre-War Consoles
- Author
- Model page created by Ashis Mukerjea. See "Data change" for further contributors.
- Other Models
-
Here you find 667 models, 441 with images and 606 with schematics for wireless sets etc. In French: TSF for Télégraphie sans fil.
All listed radios etc. from RCA Victor (International), Montreal
Collections
The model A-37 is part of the collections of the following members.