Nipper II (Wood)
RCA Victor (International), Montreal
- País
- Canada
- Fabricante / Marca
- RCA Victor (International), Montreal
- Año
- 1952
- Categoría
- Radio - o Sintonizador pasado WW2
- Radiomuseum.org ID
- 148864
Haga clic en la miniatura esquemática para solicitarlo como documento gratuito.
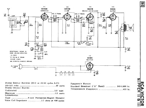
- Numero de valvulas
- 5
- Principio principal
- Superheterodino en general; ZF/IF 455 kHz
- Número de circuitos sintonía
- 6 Circuíto(s) AM
- Gama de ondas
- OM (onda media) solamente
- Tensión de funcionamiento
- Red: Aparato AC/DC. / 105-125 Volt
- Altavoz
- Altavoz dinámico (de imán permanente) / Ø 4 inch = 10.2 cm
- Potencia de salida
- 1.5 W (unknown quality)
- Material
- Madera
- de Radiomuseum.org
- Modelo: Nipper II - RCA Victor International,
- Forma
- Sobremesa de tamaño mediano sin botonera <= 35 cm. (Incluso portables pero sólo con alimantación por red).
- Ancho, altura, profundidad
- 10.25 x 7 x 4.25 inch / 260 x 178 x 108 mm
- Procedencia de los datos
- -- Original-techn. papers.
- Mencionado en
- RCA 1952 No. 1
- Autor
- Modelo creado por Ashis Mukerjea. Ver en "Modificar Ficha" los participantes posteriores.
- Otros modelos
-
Donde encontrará 667 modelos, 441 con imágenes y 606 con esquemas.
Ir al listado general de RCA Victor (International), Montreal