U-41B-1P
RCA Victor; Buenos Aires
- Country
- Argentina
- Manufacturer / Brand
- RCA Victor; Buenos Aires
- Year
- 1941
- Category
- Broadcast Receiver - or past WW2 Tuner
- Radiomuseum.org ID
- 137031
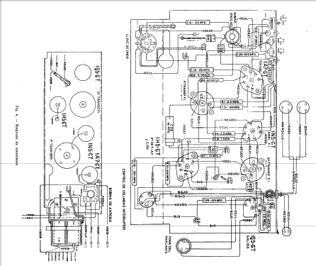
Click on the schematic thumbnail to request the schematic as a free document.
- Number of Tubes
- 4
- Main principle
- Superheterodyne (common); ZF/IF 440 kHz; 2 AF stage(s)
- Tuned circuits
- 4 AM circuit(s)
- Wave bands
- Broadcast and Short Wave (SW).
- Details
- Record Player (not changer)
- Power type and voltage
- Dry Batteries / 1.5 & 2 x 45 Volt
- Loudspeaker
- Permanent Magnet Dynamic (PDyn) Loudspeaker (moving coil) / Ø 16 cm = 6.3 inch
- Power out
- 0.3 W (unknown quality)
- Material
- Leather / canvas / plastic - over other material
- from Radiomuseum.org
- Model: U-41B-1P - RCA Victor; Buenos Aires
- Shape
- Portable set > 8 inch (also usable without mains)
- Notes
- Superheterodino de 4 válvulas para pilas secas, antena de cuadro y dos bandas de 550 a 1505 kHz. y 5550 a 18300 kHz. Tipo maleta que incluye tocadiscos con motor a cuerda.
- Source of data
- - - Manufacturers Literature
- Author
- Model page created by Mario Bermejo. See "Data change" for further contributors.
- Other Models
-
Here you find 78 models, 64 with images and 17 with schematics for wireless sets etc. In French: TSF for Télégraphie sans fil.
All listed radios etc. from RCA Victor; Buenos Aires