Rektra RA12
Rektra, Radioelektra;; Praha
- Country
- Czechoslovakia
- Manufacturer / Brand
- Rektra, Radioelektra;; Praha
- Year
- 1938/1939
- Category
- Broadcast Receiver - or past WW2 Tuner
- Radiomuseum.org ID
- 23209
Click on the schematic thumbnail to request the schematic as a free document.
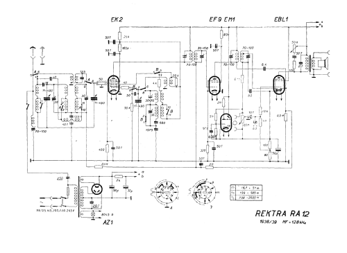
- Number of Tubes
- 5
- Main principle
- Superheterodyne (common); ZF/IF 128 kHz
- Tuned circuits
- 7 AM circuit(s)
- Wave bands
- Broadcast, Long Wave and Short Wave.
- Power type and voltage
- Alternating Current supply (AC) / 110-245 Volt
- Loudspeaker
- Permanent Magnet Dynamic (PDyn) Loudspeaker (moving coil)
- Material
- Bakelite case
- from Radiomuseum.org
- Model: Rektra RA12 - Rektra, Radioelektra;; Praha
- Shape
- Tablemodel, with any shape - general.
- Price in first year of sale
- 1,770.00 CSK
- External source of data
- Erb
- Source of data
- Ceskoslovenske prijimace 1933-1945, Baudys 1947
- Other Models
-
Here you find 15 models, 15 with images and 14 with schematics for wireless sets etc. In French: TSF for Télégraphie sans fil.
All listed radios etc. from Rektra, Radioelektra;; Praha
Collections
The model Rektra is part of the collections of the following members.