Signalverfolger RSV70
RIM bzw. Radio-RIM; München
- Paese
- Germania
- Produttore / Marca
- RIM bzw. Radio-RIM; München
- Anno
- 1971 ??
- Categoria
- Strumento da laboratorio
- Radiomuseum.org ID
- 188679
-
- Brand: Radiola-Industrie GmbH
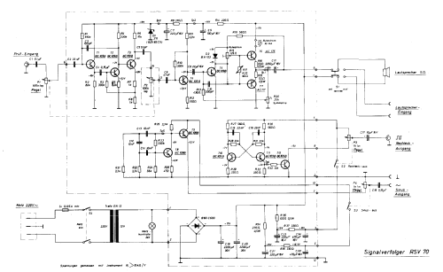
Clicca sulla miniatura dello schema per richiederlo come documento gratuito.
- Numero di transistor
- 12
- Semiconduttori
- Gamme d'onda
- - senza
- Tensioni di funzionamento
- Alimentazione a corrente alternata (CA) / 220 Volt
- Altoparlante
- AP magnetodinamico (magnete permanente e bobina mobile)
- Potenza d'uscita
- 1 W (qualità ignota)
- Materiali
- Mobile di metallo
- Radiomuseum.org
- Modello: Signalverfolger RSV70 - RIM bzw. Radio-RIM; München
- Forma
- Soprammobile compatto/con bordi arrotondati/midget senza pulsantiera/tastiera.<= 35 cm (Sometimes with handle but for mains only).
- Dimensioni (LxAxP)
- 255 x 95 x 180 mm / 10 x 3.7 x 7.1 inch
- Annotazioni
- Signalverfolger mit integriertem Sinus- Rechteckgenerator (1000 Hz). Keine optische Anzeige. Bausatzpreis 225 DM.
- Prezzo nel primo anno
- 275.00 DM
- Fonte dei dati
- - - Manufacturers Literature
- Bibliografia
- RIM electronic '71
- Autore
- Modello inviato da Otto Frosinn. Utilizzare "Proponi modifica" per inviare ulteriori dati.
- Altri modelli
-
In questo link sono elencati 313 modelli, di cui 299 con immagini e 242 con schemi.
Elenco delle radio e altri apparecchi della RIM bzw. Radio-RIM; München