Stralsund 1001 (RR1001)
Robotron Vertrieb Berlin / Werk Stralsund, VEB (Ostd.)
- Country
- Germany
- Manufacturer / Brand
- Robotron Vertrieb Berlin / Werk Stralsund, VEB (Ostd.)
- Year
- 1976/1977
- Category
- Broadcast Receiver - or past WW2 Tuner
- Radiomuseum.org ID
- 76093
Click on the schematic thumbnail to request the schematic as a free document.
- Number of Transistors
- 3
- Semiconductors
- Main principle
- Superheterodyne (common); ZF/IF 455/10700 kHz; 1 AF stage(s)
- Tuned circuits
- 4 AM circuit(s) 7 FM circuit(s)
- Wave bands
- Broadcast, Short Wave plus FM or UHF.
- Power type and voltage
- Alternating Current supply (AC) / 220 Volt
- Loudspeaker
- Permanent Magnet Dynamic (PDyn) Loudspeaker (moving coil)
- Power out
- 2 W (unknown quality)
- Material
- Wooden case
- from Radiomuseum.org
- Model: Stralsund 1001 - Robotron Vertrieb Berlin /
- Shape
- Tablemodel with Push Buttons.
- Dimensions (WHD)
- 486 x 123 x 130 mm / 19.1 x 4.8 x 5.1 inch
- Notes
-
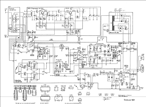
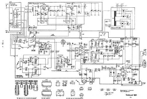
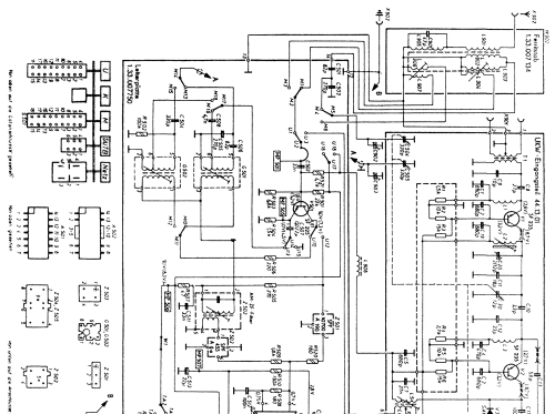
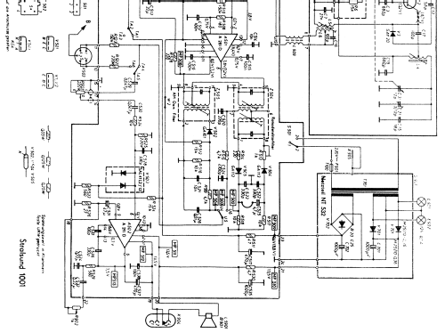
Holzgehäuse mit Plastikfront. ZF-IC: A281, NF-IC: A211D. Zusätzl. je 1 Piezofilter AM und FM. Gehäusevarianten: poliert/weiß lackiert (365 Mark) oder mattiert (360 Mark).
Elektrisch wie Lausitz 2001, aber Lautstärke- & Klangregelung über Schieberegler, TA/TB-Taste.
- Net weight (2.2 lb = 1 kg)
- 3.5 kg / 7 lb 11.3 oz (7.709 lb)
- Price in first year of sale
- 365.00 DM
- Source of data
- -- Original prospect or advert / Radiokatalog Band 2, Ernst Erb
- Mentioned in
- Funkverlag Hein, Service-DVD
- Literature/Schematics (1)
- Sortimentskatalog Elektroakustik (DDR, 1979)
- Author
- Model page created by Bernd Pötzsch. See "Data change" for further contributors.
- Other Models
-
Here you find 13 models, 13 with images and 11 with schematics for wireless sets etc. In French: TSF for Télégraphie sans fil.
All listed radios etc. from Robotron Vertrieb Berlin / Werk Stralsund, VEB (Ostd.)
Collections
The model Stralsund is part of the collections of the following members.
Museums
The model Stralsund can be seen in the following museums.