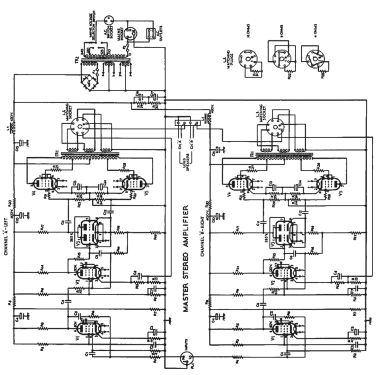
Master Stereo Amplifier
Rogers, Catford (see also Rogers Birmingham)
- Country
 - Great Britain (UK)
 
- Manufacturer / Brand
 - Rogers, Catford (see also Rogers Birmingham)
 
- Year
 - 1965 ?
 
- Category
 - Audio Amplifier or -mixer
 
- Radiomuseum.org ID
 - 356840
 
Click on the schematic thumbnail to request the schematic as a free document.
- Number of Tubes
 - 10
 
- Main principle
 - Audio-Amplification
 
- Wave bands
 - - without
 
- Details
 - Hi-Fi equipment
 
- Power type and voltage
 - Alternating Current supply (AC)
 
- Loudspeaker
 - - This model requires external speaker(s).
 
- Power out
 - 50 W (unknown quality)
 
- Material
 - Metal case
 
- from Radiomuseum.org
 - Model: Master Stereo Amplifier - Rogers, Catford see also
 
- Shape
 - Chassis only or for «building in»
 
- Notes
 - 
        
Rogers Master Power Amplifier
The Rogers Master power amplifier was reviewed by Gramophone in December 1965, alongside the Radford STA25. Both reviews were later reprinted in "Gramophone Technical Reports – 2."
Notably, the Rogers Master was advertised in conjunction with the Master Stereo Control Unit, highlighting its role in a complete audio system.
Comparison with Radford STA25
Both amplifiers were based on the EL34 valve and had similar pricing:
- Rogers Master: £50
 - Radford STA25: £52.5
 
The Radford amplifier became more widely known, partly due to its Bailey pentode-triode phase splitter.
Circuit Description
According to the Gramophone review, the Rogers Master circuit featured:
- First stage: EF86 resistance-coupled with anode-to-grid feedback
 - Second stage: AC-coupled EF86 with cathode circuit feedback
 - Third stage: Directly coupled ECC82 twin-triode with strapped triodes
 - Output stage: AC-coupled pair of EL34 valves in ultra-linear push-pull mode
 
The amplifier utilised silicon rectifiers and high-capacity electrolytic capacitors, resulting in a low-impedance HT supply for improved power output without distortion.
Technical Specifications
- Input sensitivity: 750 mV (for 25W output)
 - Power output: Approximately 25W per channel (exact figure unspecified)
 
Historical Context
The Master amplifier represented a departure from Rogers' earlier designs, such as the Senior Mk II, which used a double cascode phase splitter. The Master employed a simpler phase-splitter following a voltage amplifier stage, with an unusual preamplifier stage outside the main feedback loop. This design choice contributed to its unique performance characteristics within the context of tube amplifiers of that era.
 
- Mentioned in
 - - - Manufacturers Literature
 
- Literature/Schematics (1)
 - -- Original prospect or advert (Gramophone December 1965.)
 
- Author
 - Model page created by Gary Cowans. See "Data change" for further contributors.
 
- Other Models
 - 
        
Here you find 46 models, 45 with images and 6 with schematics for wireless sets etc. In French: TSF for Télégraphie sans fil.
All listed radios etc. from Rogers, Catford (see also Rogers Birmingham)