Ravensbourne Stereo
Rogers, Catford (see also Rogers Birmingham)
- Country
- Great Britain (UK)
- Manufacturer / Brand
- Rogers, Catford (see also Rogers Birmingham)
- Year
- 1967 ?
- Category
- Audio Amplifier or -mixer
- Radiomuseum.org ID
- 132226
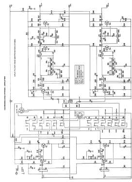
Click on the schematic thumbnail to request the schematic as a free document.
- Number of Transistors
- 22
- Main principle
- Audio-Amplification
- Wave bands
- - without
- Power type and voltage
- Alternating Current supply (AC) / 110; 120; 220; 240 Volt
- Loudspeaker
- - This model requires external speaker(s).
- Material
- Metal case
- from Radiomuseum.org
- Model: Ravensbourne Stereo - Rogers, Catford see also
- Shape
- Chassis only or for «building in»
- Notes
-
The Rogers Ravensbourne Stereo was a significant transistorised amplifier introduced in 1967 by Rogers Developments.
Key features include:
- First transistor amplifier from Rogers, offering 25W per channel
- Used modern silicon transistors instead of tubes
- Priced at £64, between the HG88 tube amp (£46) and Master pre/power (£90)
- Employed 2N3055 transistors, like other high-end amps of the era
- Claimed low distortion and noise, excellent transient response
- Connector for auxiliary external PreAmp for Tape Head / Microphone / 2nd Pick-up.
It was only produced in one version, unlike the later Ravensbrook model
Updated in 1973 with DIN speaker connectors and a higher 35W rating. Details here.
The Ravensbourne represented Rogers' transition to transistor technology, offering increased power and performance over their tube designs in a similarly styled package. Its transformer-coupled output stage was an innovative approach, though it introduced some complexity in setup and maintenance.
Only one channel is listed in the transistor lineup.
- Source of data
- - - Manufacturers Literature
- Mentioned in
- -- Original prospect or advert (Tape Recording UK Feb 1968, Page 87.)
- Literature/Schematics (1)
- -- Original prospect or advert (HiFi New, Review: Tim Jarman, Lab: Paul Miller | May 30, 2024)
- Author
- Model page created by Gottfried Silberhorn. See "Data change" for further contributors.
- Other Models
-
Here you find 46 models, 45 with images and 6 with schematics for wireless sets etc. In French: TSF for Télégraphie sans fil.
All listed radios etc. from Rogers, Catford (see also Rogers Birmingham)
Museums
The model Ravensbourne Stereo can be seen in the following museums.