Rogers 13/146 Ch= 8R1432
Rogers-Majestic, Standard Radio Manufacturing, Rogers Radio Tubes; Toronto
- País
- Canada
- Fabricante / Marca
- Rogers-Majestic, Standard Radio Manufacturing, Rogers Radio Tubes; Toronto
- Año
- 1939 ?
- Categoría
- Radio - o Sintonizador pasado WW2
- Radiomuseum.org ID
- 288636
-
- alternative name: Rogers Radio Tube
Haga clic en la miniatura esquemática para solicitarlo como documento gratuito.
- Numero de valvulas
- 14
- Principio principal
- Superheterodino con paso previo de RF; ZF/IF 456 kHz; 3 Etapas de AF
- Gama de ondas
- OM y OC
- Tensión de funcionamiento
- Red: Corriente alterna (CA, Inglés = AC) / 25 to 60 Hz, 115 Volt
- Altavoz
- Altavoz electrodinámico (bobina de campo) / Ø 12 inch = 30.5 cm
- Material
- Madera
- de Radiomuseum.org
- Modelo: Rogers 13/146 Ch= 8R1432 - Rogers-Majestic, Standard
- Forma
- Consola con botonera.
- Anotaciones
-
This model succeeded Rogers 12/146 of the previous year; the Automatic Radio feature is replaced with pushbuttons.
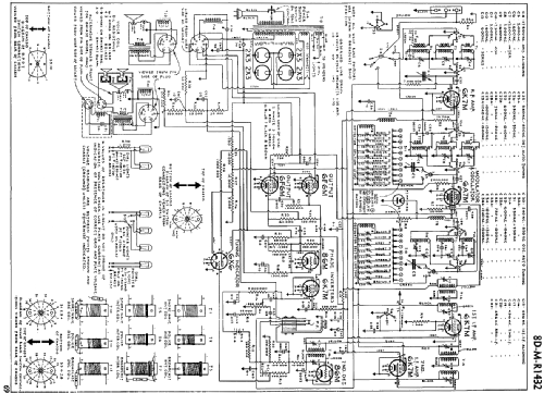
There is no circuit diagram in RCC manuals for 8R1432 since it is the same as model 12/146 with chassis 7R1432, except the newer model has pushbuttons.
See p. 39 in Rogers Majestic in RCC manual.
The cabinet is the same as Rogers 12-146 of the previous year, except for the addition of the pushbuttons.
- Documentación / Esquemas (1)
- Rogers service manual P. 68 and 69.
- Autor
- Modelo creado por Steve Valeriote. Ver en "Modificar Ficha" los participantes posteriores.
- Otros modelos
-
Donde encontrará 555 modelos, 235 con imágenes y 506 con esquemas.
Ir al listado general de Rogers-Majestic, Standard Radio Manufacturing, Rogers Radio Tubes; Toronto