Rogers 14/68 Ch= 9R662
Rogers-Majestic, Standard Radio Manufacturing, Rogers Radio Tubes; Toronto
- Country
- Canada
- Manufacturer / Brand
- Rogers-Majestic, Standard Radio Manufacturing, Rogers Radio Tubes; Toronto
- Year
- 1939/1940
- Category
- Broadcast Receiver - or past WW2 Tuner
- Radiomuseum.org ID
- 166948
-
- alternative name: Rogers Radio Tube
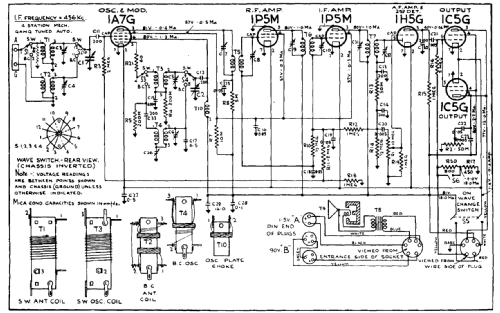
Click on the schematic thumbnail to request the schematic as a free document.
- Number of Tubes
- 6
- Main principle
- Superhet with RF-stage; ZF/IF 456 kHz; 2 AF stage(s)
- Tuned circuits
- 8 AM circuit(s)
- Wave bands
- Broadcast and Short Wave (SW).
- Power type and voltage
- Storage and/or dry batteries / 1.5; 90 Volt
- from Radiomuseum.org
- Model: Rogers 14/68 Ch= 9R662 - Rogers-Majestic, Standard
- Notes
- This set uses a push-pull audio output circuit. This model is electrically identical to the Rogers 14/61, Majestic 961, 968 the De Forest La Salle and Piccadilly.
- Circuit diagram reference
- Radio College of Canada
- Mentioned in
- RCC Rogers-Majestic section, pages 54 & Cross-Reference
- Author
- Model page created by Robin Roeckers. See "Data change" for further contributors.
- Other Models
-
Here you find 555 models, 235 with images and 506 with schematics for wireless sets etc. In French: TSF for Télégraphie sans fil.
All listed radios etc. from Rogers-Majestic, Standard Radio Manufacturing, Rogers Radio Tubes; Toronto