OLGA (Rel. 2) Portable "spy" TX/RX set
Salve Staubo A/S; Oslo
- Paese
- Norvegia
- Produttore / Marca
- Salve Staubo A/S; Oslo
- Anno
- 1943/1944
- Categoria
- Ricetrasmettitore commerciale (TRX non amatoriale)
- Radiomuseum.org ID
- 118069
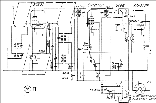
Clicca sulla miniatura dello schema per richiederlo come documento gratuito.
- Numero di tubi
- 4
- Principio generale
- Supereterodina con stadio RF; ZF/IF 455 kHz
- Gamme d'onda
- Onde corte (solamente OC)
- Tensioni di funzionamento
- Rete (CA, universale, CC, o non nota)
- Altoparlante
- - solo per cuffie o auricolari
- Materiali
- Mobile di metallo
- Radiomuseum.org
- Modello: OLGA Portable "spy" TX/RX set - Salve Staubo A/S; Oslo
- Forma
- Chassis o in scatola da montaggio
- Dimensioni (LxAxP)
- 420 x 280 x 120 mm / 16.5 x 11 x 4.7 inch
- Annotazioni
- This is a illegal TX/RX set made for a norwegian resistant group. Total number of 78 was made. 10 watts HF output.
- Fonte dei dati
- - - Data from my own collection
- Autore
- Modello inviato da Leif Ekornrod. Utilizzare "Proponi modifica" per inviare ulteriori dati.
- Altri modelli
-
In questo link sono elencati 42 modelli, di cui 41 con immagini e 2 con schemi.
Elenco delle radio e altri apparecchi della Salve Staubo A/S; Oslo
Collezioni
Il modello OLGA (Rel. 2) fa parte delle collezioni dei seguenti membri.
Discussioni nel forum su questo modello: Salve Staubo A/S;: OLGA Portable "spy" TX/RX set
Argomenti: 1 | Articoli: 2
Presented set have the nr. 12 of total 78pcs. The corresponding schematic is added as rel. 2
This set have no name of factory, but Salve Staubo - director of "Høvding Radiofabrikk" in Oslo, was the main figure in this illegal production i 1943 - 1944. This was a cowork of couple of persons, who each man do their work with parts, components, mechanics, etc.. Afterwords the set was assembled in various home or "kitchen".
Additional to Staubo in this is mr.EIDE and HANNEVOLD. Other three persons involved was :Hans Hæhre, Harald Løvmo, and Aksel Berge..
More in this can be seen on :
http://www.maritimt.net/jps/images/jpsImage.htm where this guys is shown in work.
As far as I know is there only 4-5 original set alive or left in Norway today.
Leif Ekornrod, 31.Jul.07