Super Ondolina 739A
SBR Société Belge Radio-Electrique, Bruxelles
- Country
- Belgium
- Manufacturer / Brand
- SBR Société Belge Radio-Electrique, Bruxelles
- Year
- 1938/1939
- Category
- Broadcast Receiver - or past WW2 Tuner
- Radiomuseum.org ID
- 31052
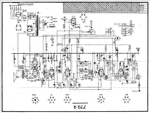
Click on the schematic thumbnail to request the schematic as a free document.
- Number of Tubes
- 8
- Main principle
- Superhet with RF-stage; ZF/IF 123 kHz
- Tuned circuits
- 7 AM circuit(s)
- Wave bands
- Broadcast, Long Wave and Short Wave.
- Power type and voltage
- Alternating Current supply (AC) / 110; 130; 140; 220; 245 Volt
- Loudspeaker
- Electro Magnetic Dynamic LS (moving-coil with field excitation coil) / Ø 26 cm = 10.2 inch
- Power out
- 15 W (unknown quality)
- Material
- Wooden case
- from Radiomuseum.org
- Model: Super Ondolina 739A - SBR Société Belge Radio-
- Shape
- Tablemodel, low profile (big size).
- Dimensions (WHD)
- 650 x 390 x 330 mm / 25.6 x 15.4 x 13 inch
- Notes
-
- The RF-stage is bypassed when receiving short waves.
- Price in first year of sale
- 2,950.00 BFr
- Mentioned in
- Manuel de la Radio 1940, van Cortenberghe
- Author
- Model page created by Bruno Brasseur. See "Data change" for further contributors.
- Other Models
-
Here you find 735 models, 682 with images and 418 with schematics for wireless sets etc. In French: TSF for Télégraphie sans fil.
All listed radios etc. from SBR Société Belge Radio-Electrique, Bruxelles
Collections
The model Super Ondolina is part of the collections of the following members.