Weekend 80 Automatik 120163
Schaub und Schaub-Lorenz
- Paese
- Germania
- Produttore / Marca
- Schaub und Schaub-Lorenz
- Anno
- 1967/1968
- Categoria
- Radio (o sintonizzatore del dopoguerra WW2)
- Radiomuseum.org ID
- 75826
Clicca sulla miniatura dello schema per richiederlo come documento gratuito.
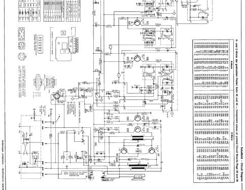
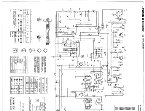
- Numero di transistor
- 9
- Principio generale
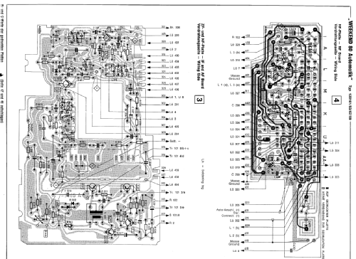
- Supereterodina (in generale); ZF/IF 460/10700 kHz
- N. di circuiti accordati
- 7 Circuiti Mod. Amp. (AM) 11 Circuiti Mod. Freq. (FM)
- Gamme d'onda
- Onde medie (OM), lunghe (OL), corte (OC) e MF (FM).
- Tensioni di funzionamento
- Batterie a secco / 4 × 1,5 Volt
- Altoparlante
- AP magnetodinamico ellittico (magnete permanente e bobina mobile).
- Potenza d'uscita
- 0.6 W (qualità ignota)
- Materiali
- Plastica (non bachelite o catalina)
- Radiomuseum.org
- Modello: Weekend 80 Automatik 120163 - Schaub und Schaub-Lorenz
- Forma
- Apparecchio portatile > 20 cm (senza la necessità di una rete)
- Dimensioni (LxAxP)
- 280 x 170 x 80 mm / 11 x 6.7 x 3.1 inch
- Annotazioni
- Betrieb im Auto über Autohalterung aus 6-V- oder 12-V-Autobatterie, dann NF-Ausgangsleistung = 2,5 W; Netzbetrieb mit zusätzlichem Netzteil möglich.
1201-63 = royal blau.
- Peso netto
- 2.5 kg / 5 lb 8.1 oz (5.507 lb)
- Bibliografia
- Handbuch VDRG 1967/1968
- Letteratura / Schemi (1)
- -- Original-techn. papers.
- Autore
- Modello inviato da Egon Penker. Utilizzare "Proponi modifica" per inviare ulteriori dati.
- Altri modelli
-
In questo link sono elencati 974 modelli, di cui 833 con immagini e 691 con schemi.
Elenco delle radio e altri apparecchi della Schaub und Schaub-Lorenz
Collezioni
Il modello Weekend 80 Automatik fa parte delle collezioni dei seguenti membri.