Weekend TE802 120461
Schaub und Schaub-Lorenz
- Country
- Germany
- Manufacturer / Brand
- Schaub und Schaub-Lorenz
- Year
- 1967/1968
- Category
- Broadcast Receiver - or past WW2 Tuner
- Radiomuseum.org ID
- 74469
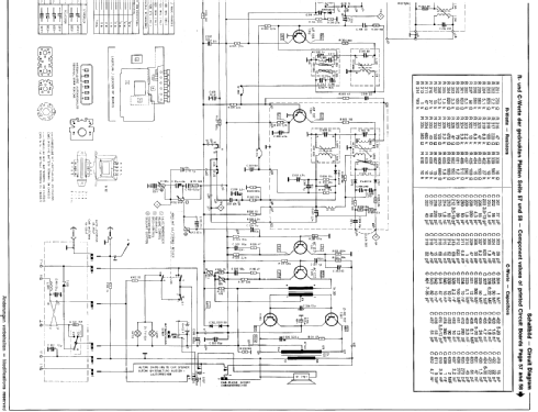
Click on the schematic thumbnail to request the schematic as a free document.
- Number of Transistors
- 9
- Main principle
- Superheterodyne (common); ZF/IF 10700/460 kHz
- Tuned circuits
- 7 AM circuit(s) 11 FM circuit(s)
- Wave bands
- Broadcast, 2 Short Wave plus FM or UHF.
- Power type and voltage
- Dry Batteries / 4× 1,5 Volt
- Loudspeaker
- Permanent Magnet Dynamic (PDyn) Loudspeaker (moving coil)
- Material
- Plastics (no bakelite or catalin)
- from Radiomuseum.org
- Model: Weekend TE802 120461 - Schaub und Schaub-Lorenz
- Shape
- Portable set > 8 inch (also usable without mains)
- Dimensions (WHD)
- 280 x 170 x 80 mm / 11 x 6.7 x 3.1 inch
- Notes
- 1204-61 = weinrot.
- Net weight (2.2 lb = 1 kg)
- 2.5 kg / 5 lb 8.1 oz (5.507 lb)
- Literature/Schematics (1)
- -- Original-techn. papers.
- Author
- Model page created by Egon Penker. See "Data change" for further contributors.
- Other Models
-
Here you find 974 models, 833 with images and 691 with schematics for wireless sets etc. In French: TSF for Télégraphie sans fil.
All listed radios etc. from Schaub und Schaub-Lorenz