- Paese
- Germania
- Produttore / Marca
- Schneider Rundfunkwerke, Electronics (Schneider/TCL); Türkheim
- Anno
- 1980 ??
- Categoria
- Amplificatore audio o mixer audio
- Radiomuseum.org ID
- 209767
Clicca sulla miniatura dello schema per richiederlo come documento gratuito.
- Numero di transistor
- 37
- Principio generale
- Amplificatore audio
- Gamme d'onda
- - senza
- Tensioni di funzionamento
- Alimentazione a corrente alternata (CA) / 220 Volt
- Altoparlante
- - Questo apparecchio richiede altoparlante/i esterno/i.
- Materiali
- Plastica (non bachelite o catalina)
- Radiomuseum.org
- Modello: Team 6070 A - Schneider Rundfunkwerke,
- Forma
- Apparecchio per ripiani a scaffale (come i componibili HiFi).
- Annotazioni
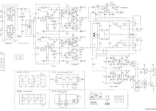
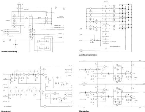
- Stereo-Vollverstärker, Eingänge für Phono MM, Radio, Tape 1, Tape 2(auf Frontplatte)
Elektronischer Eingangsquellenschalter mit Tipptasten, 2 Lautsprechergruppen, 2 Kopfhöreranschlüsse auf Frontplatte (DIN Würfel + Jack 6.3mm) Rumpel- u. Rauschfilter, Muting -20dB, Loudness, LED Aussteuerungsanzeige.
- Fonte dei dati
- -- Original-techn. papers.
- Autore
- Modello inviato da Marc Gianella. Utilizzare "Proponi modifica" per inviare ulteriori dati.
- Altri modelli
-
In questo link sono elencati 163 modelli, di cui 136 con immagini e 66 con schemi.
Elenco delle radio e altri apparecchi della Schneider Rundfunkwerke, Electronics (Schneider/TCL); Türkheim