Silvertone 8106 Ch= 101.833
Sears, Roebuck & Co.; Chicago (IL)
- Pays
- Etats-Unis
- Fabricant / Marque
- Sears, Roebuck & Co.; Chicago (IL)
- Année
- 1948/1949

- Catégorie
- Radio - ou tuner d'après la guerre 1939-45
- Radiomuseum.org ID
- 57225
-
- Brand: Silvertone
Cliquez sur la vignette du schéma pour le demander en tant que document gratuit.
- No. de tubes
- 6
- Principe général
- Super hétérodyne avec étage HF; FI/IF 455 kHz; 2 Etage(s) BF
- Circuits accordés
- 7 Circuits MA (AM)
- Gammes d'ondes
- PO et OC
- Particularités
- Tourne disque avec changeur
- Tension / type courant
- Alimentation Courant Alternatif (CA) / 117 Volt
- Haut-parleur
- HP dynamique à aimant permanent + bobine mobile / Ø 10 inch = 25.4 cm
- Puissance de sortie
- 1.1 W (qualité inconnue)
- Matière
- Boitier en bois
- De Radiomuseum.org
- Modèle: Silvertone 8106 Ch= 101.833 - Sears, Roebuck & Co.; Chicago
- Forme
- Console avec des boutons-poussoirs
- Dimensions (LHP)
- 26.125 x 33.875 x 15.625 inch / 664 x 860 x 397 mm
- Remarques
-
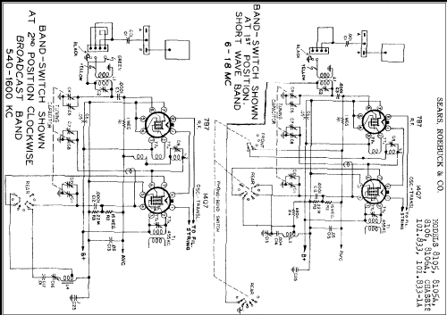
See also Silvertone model 8106 Ch= 101.833-1A.
- Prix de mise sur le marché
- 109.50 $
- Source extérieure
- Ernst Erb
- Source du schéma
- Rider's Perpetual, Volume 19 = 1949 and before
- Schémathèque (3)
- Sears, Roebuck Catalogs (Silvertone) (#198, Spring & Summer 1949, page 626.)
- D'autres Modèles
-
Vous pourrez trouver sous ce lien 5527 modèles d'appareils, 3234 avec des images et 4235 avec des schémas.
Tous les appareils de Sears, Roebuck & Co.; Chicago (IL)