Silvertone 8072 Ch= 101.834
Sears, Roebuck & Co.; Chicago (IL)
- Produttore / Marca
- Sears, Roebuck & Co.; Chicago (IL)
- Anno
- 1948
- Categoria
- Radio (o sintonizzatore del dopoguerra WW2)
- Radiomuseum.org ID
- 57205
-
- Brand: Silvertone
Clicca sulla miniatura dello schema per richiederlo come documento gratuito.
- Numero di tubi
- 5
- Principio generale
- Supereterodina (in generale); ZF/IF 455 kHz; 2 Stadi BF
- N. di circuiti accordati
- 6 Circuiti Mod. Amp. (AM)
- Gamme d'onda
- Solo onde medie (OM).
- Particolarità
- Cambiadischi
- Tensioni di funzionamento
- Alimentazione a corrente alternata (CA) / 110 - 120 Volt
- Altoparlante
- AP magnetodinamico (magnete permanente e bobina mobile) / Ø 5.3 inch = 13.5 cm
- Materiali
- Mobile in legno
- Radiomuseum.org
- Modello: Silvertone 8072 Ch= 101.834 - Sears, Roebuck & Co.; Chicago
- Forma
- Soprammobile con qualsiasi forma (non saputo).
- Annotazioni
- Photofact see under Trade name: Silvertone.
- Fonte esterna dei dati
- Ernst Erb
- Fonte dei dati
- The Radio Collector's Directory and Price Guide 1921 - 1965
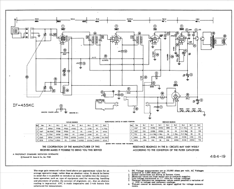
- Riferimenti schemi
- Rider's Perpetual, Volume 17 = 1948 and before
- Bibliografia
- Guide to Old Radios
- Letteratura / Schemi (1)
- Photofact Folder, Howard W. SAMS (Set 34, Folder 484-19)
- Altri modelli
-
In questo link sono elencati 5527 modelli, di cui 3234 con immagini e 4235 con schemi.
Elenco delle radio e altri apparecchi della Sears, Roebuck & Co.; Chicago (IL)