Silvertone 1035 Ch= 528.53940 Order=57H 1035
Sears, Roebuck & Co.; Chicago (IL)
- Land
- USA
- Hersteller / Marke
- Sears, Roebuck & Co.; Chicago (IL)
- Jahr
- 1960/1961
- Kategorie
- Rundfunkempfänger (Radio - oder Tuner nach WW2)
- Radiomuseum.org ID
- 88392
-
- Marke: Silvertone
Klicken Sie auf den Schaltplanausschnitt, um diesen kostenlos als Dokument anzufordern.
- Anzahl Röhren
- 5
- Hauptprinzip
- Superhet allgemein; ZF/IF 455 kHz; 2 NF-Stufe(n)
- Anzahl Kreise
- 6 Kreis(e) AM
- Wellenbereiche
- Mittelwelle, keine anderen.
- Betriebsart / Volt
- Wechselstromspeisung / 117 Volt
- Lautsprecher
- Dynamischer LS, keine Erregerspule (permanentdynamisch) / Ø 4 inch = 10.2 cm
- Material
- Plastikgehäuse (nicht Bakelit), Thermoplast
- von Radiomuseum.org
- Modell: Silvertone 1035 Ch= 528.53940 Order=57H 1035 - Sears, Roebuck & Co.; Chicago
- Form
- Tischgerät mit integrierter Uhr (Uhrenradio, Radiowecker).
- Abmessungen (BHT)
- 10 x 6 x 4 inch / 254 x 152 x 102 mm
- Bemerkung
-
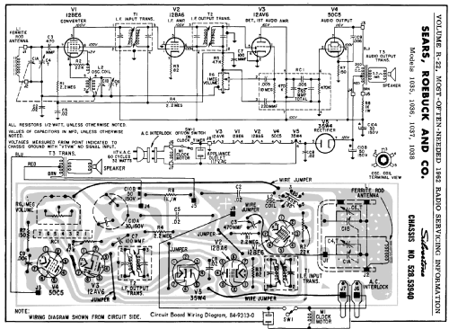
The Sears Silvertone 1035 is an AC operated 5 tube AM band clock radio. Has appliance outlet that is controlled by the clock. Cabinet color is Brown with gold color trim.
The following models use the same schematic and chassis:
Model Cabinet Color 1035 Brown 1036 Ivory 1037 Ice Blue 1038 Frosty Pink See details and summaries about Sears catalogs etc.
- Originalpreis
- 26.95 $
- Schaltungsnachweis
- Beitman Radio Diagrams Vol. 22, 1962
- Literatur/Schema (3)
- Sears, Roebuck Catalogs (Silvertone) (Fall/Winter 1960, page 1311.)
- Literatur/Schema (4)
- Sears, Roebuck Catalogs (Silvertone) (Winter 1961, page 93.)
- Autor
- Modellseite von Egon Penker angelegt. Siehe bei "Änderungsvorschlag" für weitere Mitarbeit.
- Weitere Modelle
-
Hier finden Sie 5527 Modelle, davon 3234 mit Bildern und 4235 mit Schaltbildern.
Alle gelisteten Radios usw. von Sears, Roebuck & Co.; Chicago (IL)