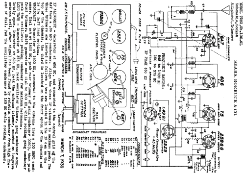
Silvertone 7232 Ch= 105.6L
Sears, Roebuck & Co.; Chicago (IL)
- Country
- United States of America (USA)
- Manufacturer / Brand
- Sears, Roebuck & Co.; Chicago (IL)
- Year
- 1939
- Category
- Broadcast Receiver - or past WW2 Tuner
- Radiomuseum.org ID
- 57128
-
- Brand: Silvertone
Click on the schematic thumbnail to request the schematic as a free document.
- Number of Tubes
- 5
- Number of Transistors
- Semiconductors
- L49BJ
- Main principle
- Superheterodyne (common); ZF/IF 456 kHz
- Tuned circuits
- 5 AM circuit(s)
- Wave bands
- Broadcast (MW) and Long Wave.
- Power type and voltage
- AC/DC-set / 105-120 Volt
- Loudspeaker
- Electro Magnetic Dynamic LS (moving-coil with field excitation coil) / Ø 6 inch = 15.2 cm
- Power out
- 1.5 W (unknown quality)
- from Radiomuseum.org
- Model: Silvertone 7232 Ch= 105.6L - Sears, Roebuck & Co.; Chicago
- External source of data
- Ernst Erb
- Circuit diagram reference
- Rider's Perpetual, Volume 11 = ca. 1940 and before
- Literature/Schematics (1)
- Riders 11-108
- Other Models
-
Here you find 5533 models, 3235 with images and 4241 with schematics for wireless sets etc. In French: TSF for Télégraphie sans fil.
All listed radios etc. from Sears, Roebuck & Co.; Chicago (IL)