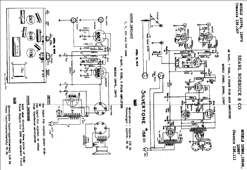
Silvertone 12867 Ch= 138.111
Sears, Roebuck & Co.; Chicago (IL)
- Country
- United States of America (USA)
- Manufacturer / Brand
- Sears, Roebuck & Co.; Chicago (IL)
- Year
- 1943 ?
- Category
- Audio Amplifier or -mixer
- Radiomuseum.org ID
- 55806
-
- Brand: Silvertone
Click on the schematic thumbnail to request the schematic as a free document.
- Number of Tubes
- 7
- Wave bands
- - without
- Details
- Record Player (perh.Changer)
- Power type and voltage
- Alternating Current supply (AC) / 117 Volt
- Loudspeaker
- Permanent Magnet Dynamic (PDyn) Loudspeaker (moving coil)
- Power out
- 22 W (unknown quality)
- from Radiomuseum.org
- Model: Silvertone 12867 Ch= 138.111 - Sears, Roebuck & Co.; Chicago
- External source of data
- Ernst Erb
- Circuit diagram reference
- Rider's Perpetual, Volume 14 = 1944 = before 1943
- Literature/Schematics (1)
- Riders 13-84
- Other Models
-
Here you find 5533 models, 3235 with images and 4241 with schematics for wireless sets etc. In French: TSF for Télégraphie sans fil.
All listed radios etc. from Sears, Roebuck & Co.; Chicago (IL)