Silvertone "A" Battery Console Order= 57FM 1292C or 1293C
Sears, Roebuck & Co.; Chicago (IL)
- Country
- United States of America (USA)
- Manufacturer / Brand
- Sears, Roebuck & Co.; Chicago (IL)
- Year
- 1931/1932

- Category
- Broadcast Receiver - or past WW2 Tuner
- Radiomuseum.org ID
- 55812
-
- Brand: Silvertone
Click on the schematic thumbnail to request the schematic as a free document.
- Number of Tubes
- 6
- Main principle
- TRF without regeneration; Screengrid 1926-1935
- Tuned circuits
- 3 AM circuit(s)
- Wave bands
- Broadcast only (MW).
- Power type and voltage
- Storage and/or dry batteries / 22.5 volt "C" battery & storage battery 6.3 volt & "B" 3 x 45 Volt
- Loudspeaker
- Magnetic loudspeaker (reed) generic.
- Material
- Wooden case
- from Radiomuseum.org
- Model: Silvertone "A" Battery Console Order= 57FM 1292C or 1293C - Sears, Roebuck & Co.; Chicago
- Shape
- Console, Lowboy (legs < 50 %).
- Dimensions (WHD)
- 25.75 x 38.375 x 16.5 inch / 654 x 975 x 419 mm
- Notes
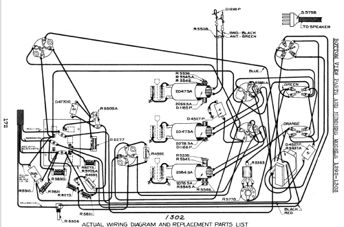
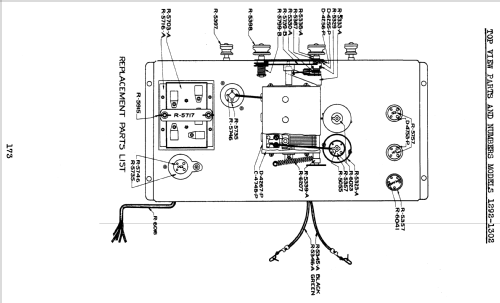
- The Sears Silvertone 1292C / 1293C offer new battery tubes for an "A" battery which lasts one year by using it 3 hours a day. Battery size is 13.25 x 6.75 x 9.5 inch. Push-pull output and tone control. Walnut veneer with genuine walnut top. Instrument panel of inlaid wood, large compartment for housing all batteries. 4-legged lowboy with stretcher base. It is the same cabinet as model 1302C and the same chassis, but with "New 1932 Model (Magnetic) Speaker".
Order number 57FM 1292C 1/4 without tubes or accessories for $ 49 (57FM 1292T 1/4 for easy payment) or 57FM 1293C 1/4 with all tubes, batteries (A, B and C) and aerial kit 57FM5516 for 71 or as 57FM 1293T for easy payment: $ 6 "down" cash and $ 6 per month until paid $ 78. See details and summaries about Sears catalogs etc. The Rider's page Sears 2-7 and 2-8 show the same schematic for models 1290, 1300, 1292 and 1302 - two variants for the loudspeaker: dynamic or magnetic. Page 2.7 shows that the wiring for 1290 (Midget) and 1300 differs a bit from 1392 (Low-Boy) and 1302.
- Price in first year of sale
- 49.00 $ +
- External source of data
- Ernst Erb
- Source of data
- Radio Collector`s Guide 1921-1932
- Circuit diagram reference
- Rider's Perpetual, Volume 2 = 1932 (Models 1931/1932)
- Mentioned in
- Collector's Guide to Antique Radios 4. Edition
- Literature/Schematics (1)
- The Sears Silvertone Catalogs 1930-1942 (page 44)
- Literature/Schematics (2)
- Pre-War Consoles
- Literature/Schematics (3)
- Sears, Roebuck Catalogs (Silvertone) (#163, Fall and Winter 1931/32 page 220.)
- Other Models
-
Here you find 5527 models, 3234 with images and 4235 with schematics for wireless sets etc. In French: TSF for Télégraphie sans fil.
All listed radios etc. from Sears, Roebuck & Co.; Chicago (IL)