Silvertone Order= 57FM 1300C or 1301C
Sears, Roebuck & Co.; Chicago (IL)
- Produttore / Marca
- Sears, Roebuck & Co.; Chicago (IL)
- Anno
- 1931/1932

- Categoria
- Radio (o sintonizzatore del dopoguerra WW2)
- Radiomuseum.org ID
- 55818
-
- Brand: Silvertone
Clicca sulla miniatura dello schema per richiederlo come documento gratuito.
- Numero di tubi
- 6
- Principio generale
- A circuiti accordati (amplif. diretta) senza reazione; A valvole con griglia schermo (solo se 1926-1935)
- N. di circuiti accordati
- 3 Circuiti Mod. Amp. (AM)
- Gamme d'onda
- Solo onde medie (OM).
- Tensioni di funzionamento
- Batterie a secco
- Altoparlante
- AP elettrodinamico (bobina mobile e bobina di eccitazione/di campo)
- Materiali
- Mobile in legno
- Radiomuseum.org
- Modello: Silvertone Order= 57FM 1300C or 1301C - Sears, Roebuck & Co.; Chicago
- Forma
- Soprammobile a cattedrale o cupola (upright, round top or pinted arch, not rounded edges only).
- Dimensioni (LxAxP)
- 14.75 x 17 x 7.625 inch / 375 x 432 x 194 mm
- Annotazioni
- The Sears Silvertone 1300C / 1301C offer new battery tubes for an "A" battery which lasts one year by using it 3 hours a day. Battery size is 13.25 x 6.75 x 9.5 inch. Bush-pull output and tone control. Walnut veneer with Tarso process front in natural colors of rich inlaid marquestry. It is the same cabinet as model 1290C and the same chassis, but with "Super Dynamic Speaker".
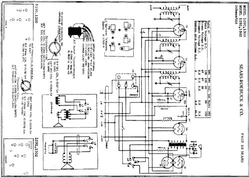
Order number 57FM 1300C 1/4 without tubes or accessories for $ 34 (57FM 1300T 1/4 for easy payment) or 57FM 1301C 1/4 with all tubes, batteries (57FM703 1/4 storage battery, 57F5119 "C" battery, three 57F5117 "B" batteries) and aerial kit 57FM5517 for $ 55 or as 57FM 1091T for easy payment: $ 5 "down" cash and $ 5 per month until paid $ 60.50. See details and summaries about Sears catalogs etc. The Rider's page Sears 2-7 and 2-8 show the same schematic for models 1290, 1300, 1292 and 1302 - two variants for the loudspeaker: dynamic or magnetic. Page 2.7 shows that the wiring for 1290 (Midget) and 1300 differs a bit from 1392 (Low-Boy) and 1302.
- Prezzo nel primo anno
- 34.00 $
- Fonte esterna dei dati
- Ernst Erb
- Fonte dei dati
- Radio Collector`s Guide 1921-1932
- Riferimenti schemi
- Rider's Perpetual, Volume 2 = 1932 (Models 1931/1932)
- Bibliografia
- The Sears Silvertone Catalogs 1930-1942 (page 45.)
- Letteratura / Schemi (2)
- Sears, Roebuck Catalogs (Silvertone) (#163, Fall & Winter 1931/32, page 221.)
- Altri modelli
-
In questo link sono elencati 5527 modelli, di cui 3234 con immagini e 4235 con schemi.
Elenco delle radio e altri apparecchi della Sears, Roebuck & Co.; Chicago (IL)