Silvertone 2003 Ch= 757.110 Order=57D 02003
Sears, Roebuck & Co.; Chicago (IL)
- Produttore / Marca
- Sears, Roebuck & Co.; Chicago (IL)
- Anno
- 1953–1956 ?
- Categoria
- Radio (o sintonizzatore del dopoguerra WW2)
- Radiomuseum.org ID
- 88864
-
- Brand: Silvertone
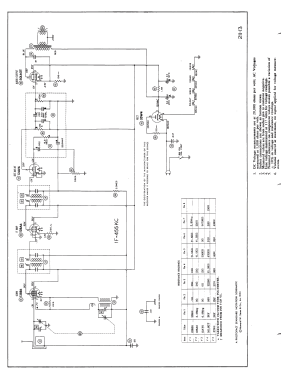
Clicca sulla miniatura dello schema per richiederlo come documento gratuito.
- Numero di tubi
- 5
- Principio generale
- Supereterodina (in generale); ZF/IF 455 kHz; 2 Stadi BF
- N. di circuiti accordati
- 6 Circuiti Mod. Amp. (AM)
- Gamme d'onda
- Solo onde medie (OM).
- Tensioni di funzionamento
- Alimentazione universale (doppia: CC/CA) / AC/DC 117=110-120 Volt
- Altoparlante
- AP magnetodinamico (magnete permanente e bobina mobile) / Ø 4 inch = 10.2 cm
- Materiali
- Plastica (non bachelite o catalina)
- Radiomuseum.org
- Modello: Silvertone 2003 Ch= 757.110 Order=57D 02003 - Sears, Roebuck & Co.; Chicago
- Forma
- Soprammobile compatto/con bordi arrotondati/midget senza pulsantiera/tastiera.<= 35 cm (Sometimes with handle but for mains only).
- Dimensioni (LxAxP)
- 8.5 x 6 x 4.75 inch / 216 x 152 x 121 mm
- Annotazioni
-
Silvertone model 2003 is an AC/DC operated superheterodyne receiver.
This Silvertone model is brown and is available also in ivory (model 2004), red (model 2005) and green (model 2006).
- Prezzo nel primo anno
- 16.95 $
- Letteratura / Schemi (1)
- Beitman Radio Diagrams, Vol. 13, 1953
- Letteratura / Schemi (2)
- Photofact Folder, Howard W. SAMS (Set 211, folder 13, dated 8-53)
- Letteratura / Schemi (3)
- Sears, Roebuck Catalogs (Silvertone) (Fall & Winter 1953/54 page 886. Spring & Summer 1954 page 772. Fall & Winter 1954/55 page 918.)
- Letteratura / Schemi (4)
- Sears, Roebuck Catalogs (Silvertone) (Spring & Summer 1956, page 833. Spring/Summer 1955, page 778.)
- Autore
- Modello inviato da Walter Wiesmüller † May 2012. Utilizzare "Proponi modifica" per inviare ulteriori dati.
- Altri modelli
-
In questo link sono elencati 5533 modelli, di cui 3235 con immagini e 4241 con schemi.
Elenco delle radio e altri apparecchi della Sears, Roebuck & Co.; Chicago (IL)
Collezioni
Il modello Silvertone 2003 fa parte delle collezioni dei seguenti membri.