Silvertone 1181-20 Ch= 110, 700-120
Sears, Roebuck & Co.; Chicago (IL)
- Country
- United States of America (USA)
- Manufacturer / Brand
- Sears, Roebuck & Co.; Chicago (IL)
- Year
- 1953 ?
- Category
- Television Receiver (TV) or Monitor
- Radiomuseum.org ID
- 362182
-
- Brand: Silvertone
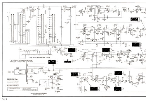
Click on the schematic thumbnail to request the schematic as a free document.
- Number of Tubes
- 20
- Valves / Tubes
- 6BC5 6J6 6BC5 6AU6 6AU6 6AL5 12BH7 6AU6 6AL5 6SQ7GT 6V6GT 12BH7 12BH7 6AL5 12BH7 6BQ6GT 6W4GT 1X2A 5U4G 20CP4A
- Main principle
- Superhet with RF-stage
- Wave bands
- Wave Bands given in the notes.
- Power type and voltage
- Alternating Current supply (AC) / 60 Hz, 117V = 110 -120 Volt
- Loudspeaker
- Permanent Magnet Dynamic (PDyn) Loudspeaker (moving coil) / Ø 5 inch = 12.7 cm
- Material
- Plastics (no bakelite or catalin)
- from Radiomuseum.org
- Model: Silvertone 1181-20 Ch= 110, 700-120 - Sears, Roebuck & Co.; Chicago
- Shape
- Tablemodel, with any shape - general.
- Notes
-
Silvertone model 1181-20 is a 20” b/w TV with US standard VHF tuner channels 2 thru 13. Equipped with chassis 110, 700-120, a VHF tuner A54946 and picture tube 20CP4A.
- Literature/Schematics (1)
- Photofact Folder, Howard W. SAMS (Set 201, folder 8, dated 4-53)
- Author
- Model page created by Dirk Taekels. See "Data change" for further contributors.
- Other Models
-
Here you find 5527 models, 3234 with images and 4235 with schematics for wireless sets etc. In French: TSF for Télégraphie sans fil.
All listed radios etc. from Sears, Roebuck & Co.; Chicago (IL)