Silvertone 2170 Ch= 100.210, -1, -3
Sears, Roebuck & Co.; Chicago (IL)
- Country
- United States of America (USA)
- Manufacturer / Brand
- Sears, Roebuck & Co.; Chicago (IL)
- Year
- 1953 ?
- Category
- Television Receiver (TV) or Monitor
- Radiomuseum.org ID
- 363545
-
- Brand: Silvertone
Click on the schematic thumbnail to request the schematic as a free document.
- Number of Tubes
- 19
- Valves / Tubes
- 6BQ7 or 6BZ7 6J6 6CB6 6CB6 6CB6 6AC7 6SN7GT 6AU6 6T8 6AS5 12AU7 6BL7GT 6AL5 6SN7GT 6BQ6GT 6W4GT 1B3GT 5U4G 21AP4
- Main principle
- Superhet with RF-stage
- Wave bands
- Wave Bands given in the notes.
- Power type and voltage
- Alternating Current supply (AC) / 60 Hz, 117V = 110 -120 Volt
- Loudspeaker
- Permanent Magnet Dynamic (PDyn) Loudspeaker (moving coil) - elliptical
- Material
- Wooden case
- from Radiomuseum.org
- Model: Silvertone 2170 Ch= 100.210, -1, -3 - Sears, Roebuck & Co.; Chicago
- Shape
- Console, Lowboy (legs < 50 %).
- Notes
-
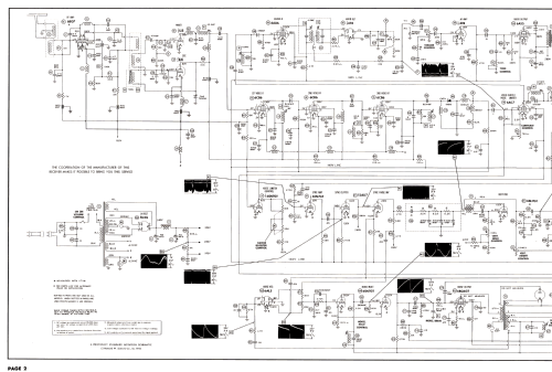
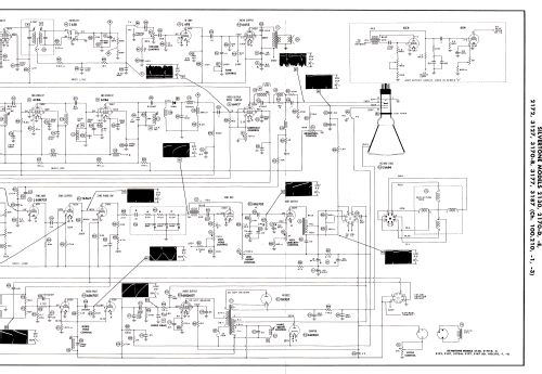
Silvertone model 2170 is a 21” b/w TV with US standard VHF tuner channels 2 thru 13. Equipped with chassis 100.210, -1, -3, VHF tuner W520645 and picture tube 21AP4.
- Literature/Schematics (2)
- Photofact Folder, Howard W. SAMS (Set 207, folder 10, dated 6-53)
- Author
- Model page created by Dirk Taekels. See "Data change" for further contributors.
- Other Models
-
Here you find 5527 models, 3234 with images and 4235 with schematics for wireless sets etc. In French: TSF for Télégraphie sans fil.
All listed radios etc. from Sears, Roebuck & Co.; Chicago (IL)