Silvertone 2170E Ch= 100.210, -1, -3
Sears, Roebuck & Co.; Chicago (IL)
- País
- Estados Unidos
- Fabricante / Marca
- Sears, Roebuck & Co.; Chicago (IL)
- Año
- 1953 ?
- Categoría
- Televisión (TV) o monitor
- Radiomuseum.org ID
- 363550
-
- Brand: Silvertone
Haga clic en la miniatura esquemática para solicitarlo como documento gratuito.
- Numero de valvulas
- 20
- Válvulas
- 6BQ7 or 6BZ7 6J6 6CB6 6CB6 6CB6 6AC7 6SN7GT 6AU6 6T8 6AS5 12AU7 6C4 6S4 6AL5 6SN7GT 6BQ6GT 6W4GT 1B3GT 5U4G 21AP4
- Principio principal
- Superheterodino con paso previo de RF
- Gama de ondas
- Bandas de recepción puestas en notas.
- Tensión de funcionamiento
- Red: Corriente alterna (CA, Inglés = AC) / 60 Hz, 117V = 110 -120 Volt
- Altavoz
- Altavoz elíptico de imán permanente.
- Material
- Madera
- de Radiomuseum.org
- Modelo: Silvertone 2170E Ch= 100.210, -1, -3 - Sears, Roebuck & Co.; Chicago
- Forma
- Consola baja, patas más cortas del 50%.
- Anotaciones
-
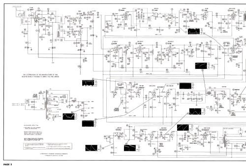
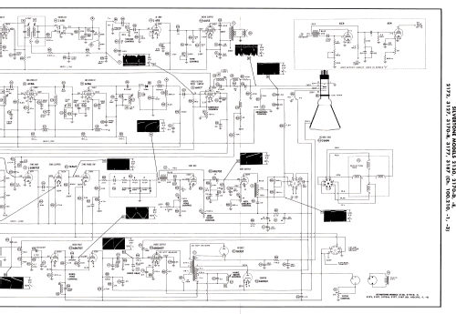
Silvertone model 2170E is a 21” b/w TV with US standard VHF tuner channels 2 thru 13. Equipped with chassis 100.210, -1, -3, VHF tuner W520645 and picture tube 21AP4.
- Documentación / Esquemas (2)
- Photofact Folder, Howard W. SAMS (Set 207, folder 10, dated 6-53)
- Autor
- Modelo creado por Dirk Taekels. Ver en "Modificar Ficha" los participantes posteriores.
- Otros modelos
-
Donde encontrará 5527 modelos, 3234 con imágenes y 4235 con esquemas.
Ir al listado general de Sears, Roebuck & Co.; Chicago (IL)