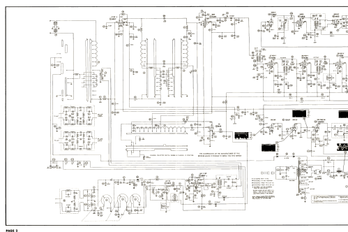
Silvertone 3106 Ch= 132.045, -1
Sears, Roebuck & Co.; Chicago (IL)
- Produttore / Marca
- Sears, Roebuck & Co.; Chicago (IL)
- Anno
- 1953 ?
- Categoria
- Televisore (TV) / Monitor
- Radiomuseum.org ID
- 361765
-
- Brand: Silvertone
Clicca sulla miniatura dello schema per richiederlo come documento gratuito.
- Numero di tubi
- 24
- Valvole
- 6AF4 6BQ7 or 6BZ7 6BZ7 6X8 6CB6 6CB6 6CB6 6BA6 12AU7 6AC7 6AU6 6AL5 6AV6 6V6GT 12AU7 6SN7GT 6S4 6AL5 6SN7GT 6BQ6GT 6W4GT 1B3GT 5U4G 17VP4
- Principio generale
- Supereterodina con stadio RF
- Gamme d'onda
- Gamme d'onda nelle note.
- Tensioni di funzionamento
- Alimentazione a corrente alternata (CA) / 60 Hz, 117V = 110 -120 Volt
- Altoparlante
- AP magnetodinamico (magnete permanente e bobina mobile) / Ø 5 inch = 12.7 cm
- Materiali
- Mobile in legno
- Radiomuseum.org
- Modello: Silvertone 3106 Ch= 132.045, -1 - Sears, Roebuck & Co.; Chicago
- Forma
- Soprammobile con qualsiasi forma (non saputo).
- Annotazioni
-
Silvertone model 3106 is a 17” b/w TV with US standard VHF tuner channels 2 thru 13. Equipped with chassis 132.045,-1, VHF tuner N25267-4 and picture tube 17VP4.
- Letteratura / Schemi (1)
- Photofact Folder, Howard W. SAMS (Set 199, folder 11, dated 4-53)
- Autore
- Modello inviato da Dirk Taekels. Utilizzare "Proponi modifica" per inviare ulteriori dati.
- Altri modelli
-
In questo link sono elencati 5527 modelli, di cui 3234 con immagini e 4235 con schemi.
Elenco delle radio e altri apparecchi della Sears, Roebuck & Co.; Chicago (IL)