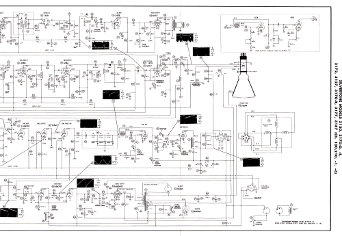
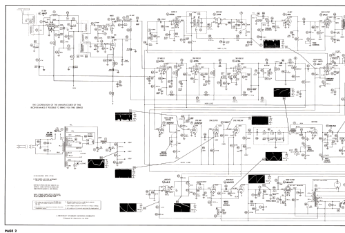
Silvertone 3170-B Ch= 100.210, -1, -3
Sears, Roebuck & Co.; Chicago (IL)
- Produttore / Marca
- Sears, Roebuck & Co.; Chicago (IL)
- Anno
- 1953 ?
- Categoria
- Televisore (TV) / Monitor
- Radiomuseum.org ID
- 363577
-
- Brand: Silvertone
Clicca sulla miniatura dello schema per richiederlo come documento gratuito.
- Numero di tubi
- 19
- Valvole
- 6BQ7 or 6BZ7 6J6 6CB6 6CB6 6CB6 6AC7 6SN7GT 6AU6 6T8 6AS5 12AU7 6BL7GT 6AL5 6SN7GT 6BQ6GT 6W4GT 1B3GT 5U4G 21AP4
- Principio generale
- Supereterodina con stadio RF
- Gamme d'onda
- Gamme d'onda nelle note.
- Tensioni di funzionamento
- Alimentazione a corrente alternata (CA) / 60 Hz, 117V = 110 -120 Volt
- Altoparlante
- AP magnetodinamico ellittico (magnete permanente e bobina mobile).
- Materiali
- Mobile in legno
- Radiomuseum.org
- Modello: Silvertone 3170-B Ch= 100.210, -1, -3 - Sears, Roebuck & Co.; Chicago
- Forma
- Console, con gambe d'appoggio basse (< 50%).
- Annotazioni
-
Silvertone model 3170-B is a 21” b/w TV with US standard VHF tuner channels 2 thru 13. Equipped with chassis 100.210, -1, -3, VHF tuner W520645 and picture tube 21AP4.
- Letteratura / Schemi (2)
- Photofact Folder, Howard W. SAMS (Set 207, folder 10, dated 6-53)
- Autore
- Modello inviato da Dirk Taekels. Utilizzare "Proponi modifica" per inviare ulteriori dati.
- Altri modelli
-
In questo link sono elencati 5527 modelli, di cui 3234 con immagini e 4235 con schemi.
Elenco delle radio e altri apparecchi della Sears, Roebuck & Co.; Chicago (IL)